
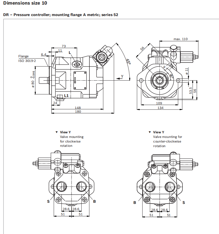
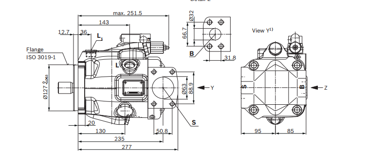
BOSCH Rexroth A10VO Series 52 And 53 Axial Variable Piston Pump
Features ▶ Variable pump with axial piston rotary group in swashplate design for hydrostatic drives in open circuit. ▶ The flow is proportional to the drive speed and the displacement. ▶ The flow can be infinitely varied by adjusting the swashplate angle. ▶ Stable bearing for long service life ▶ High permissible drive speed ▶ Favorable power-to-weight ratio – compact dimensions ▶ Low noise ▶ Excellent suction characteristics ▶ Electro-hydraulic pressure control ▶ Power control ▶ Electro-proportional swivel angle control ▶ Short response times ▶ Sizes A10VO10 A10VO18 A10VO28 A10VO45 A10VO60 A10VO63 A10VO72 A10VO85 A10VO100 ▶ Nominal pressure 3600 psi (250 bar) ▶ Maximum pressure 4550 psi (315 bar) ▶ Open circuit
















Hot Tags: bosch rexroth a10vo series 52 and 53 axial variable piston pump, China bosch rexroth a10vo series 52 and 53 axial variable piston pump manufacturers, suppliers, factory, piston pump for OILGEAR, Voith Gear Pump, Komatsu Hydraulic Gear Pump, Bent Axis Variable Displ Motors, hydraulic pumo for nachia, Helical Hydraulic Rotary Actuators









