REXROTH P2V7 Series 1x Variable DOUBLE Vane Pumps P2V7/100-150C0+V7/100-150C0RE07+07E4
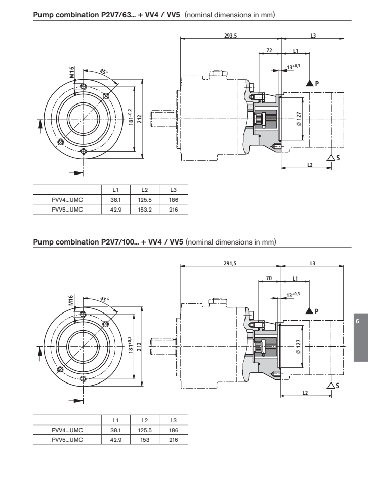
All pumps of type PV7 can be combined. Each pump with Eshaft is provided with an output spline. All combinations of a PV7 + optional rear pump are sealed against each other by means of the shaft seal ring of the rear pump. The seal is direction-related. In the case of more stringent requirements with regard to a reliable separation of media, please consult the technical sales department. Possible combinations and the material no. of the required combination parts can be found


|
REXROTH P2V7 Series 1x Variable DOUBLE Vane Pumps P2V7/100-150C0+V7/100-150C0RE07+07E4 |








Hot Tags: rexroth p2v7 series 1x variable double vane pumps p2v7/100-150c0+v7/100-150c0re07+07e4, China rexroth p2v7 series 1x variable double vane pumps p2v7/100-150c0+v7/100-150c0re07+07e4 manufacturers, suppliers, factory















