REXROTH Internal Gear Pump Fixed Displacement PGH2 PGH3
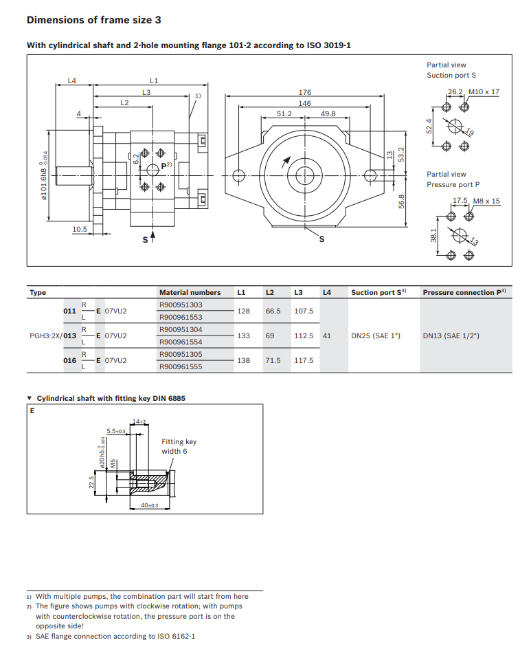
PGH2-2X/005 PGH2-2X/006 PGH2-2X/008 R900968999 R900703725 R900951301 R900961547 R900951302 R900961548 R900972378 R900703727 R900961549 R900961550 R900961551 R900961552 PGH3-2X/011 PGH3-2X/013 PGH3-2X/016 R900951303 R900961553 R900951304 R900961554 R900951305 R900961555 Features ▶ Fixed displacement ▶ Low operating noise ▶ Low flow pulsation ▶ High efficiency also at low speed and viscosity due to sealing gap compensation ▶ Suitable for broad viscosity and speed ranges ▶ Can be combined with internal gear pumps, radial piston pumps, gerotor pumps and external gear pumps ▶ Mounting dimensions according to ISO 3019-1. ▶ Connection dimensions according to ISO 6162-1 ▶ Suitable for HLP, HETG, HEES and HFD and HFC hydraulic fluids ▶ Use in fatigue endurable drives with high pressures at very high numbers of load cycles with constant or variable speed in direct drives or with accumulator charging function, e.g.: – Plastics processing machines – Machine tools – Presses – Test stands. PGH2-2X/...R...U2 R900886137 R900886137 PGH3-2X/...R...U2 R900886137 R900886137 PGP2-2X/...J...U2 R900886137 R900886137 PGF2-2X/...J...U2 R900886137 R900886137 AZPF...RR...B R900886137 R900886137 PR4-1X...WA R901015657 R901015657 PGZ4-1X/...T...U2 R901405441 R901405441 PGZ5-1X/...T...U2 R901405441 R901405441

| REXROTH Internal gear pump Fixed displacement PGH2 PGH3 |














Hot Tags: rexroth internal gear pump fixed displacement pgh2 pgh3, China rexroth internal gear pump fixed displacement pgh2 pgh3 manufacturers, suppliers, factory






