YUKEN BUCG-06 BUCG-10 Unloading Relief Valves
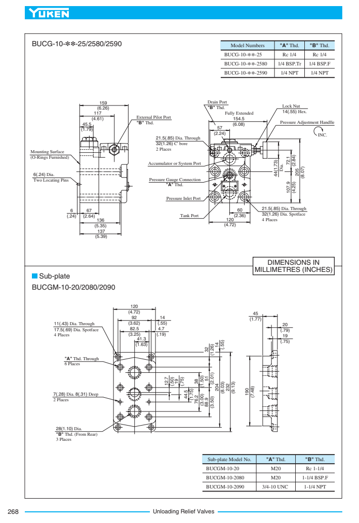
These valves are used to operate the pumps with minimum load in accumulator circuits or in high-low pump circuits. In accumulator circuits, when the system pressure reaches to a cut out pressure (adjusted maximum), the valve acts to divert the pump delivery to the reservoir at low pressure, thus the pump is unloaded automatically. When the accumulator pressure drops to the cut in pressure (refer to characteristic chart on page 269), the valve directs the pump delivery to the accumulator and hydraulic system. An integral check valve prevents reverse flow through the valve from the accumulator. In high-low pump circuits, the valve acts to unload the large volume pump with the same manner as described above during load operation of the small volume pump. A pilot-drain system is typically configured with an external pilot and an external drain, as indicated by the right graphic symbol. However, customized pilot-drain systems with an internal pilot are also available. For the internal pilot type, the design standard number at the end of the model number is uniquely assigned. Refer to the table below for the internal pilot type. Please contact us for details.


|
YUKEN BUCG-06 BUCG-10 Unloading Relief Valves |




|
|

Hot Tags: yuken bucg-06 bucg-10 unloading relief valves, China yuken bucg-06 bucg-10 unloading relief valves manufacturers, suppliers, factory















