LIEBHERR DMVA Series Axial Piston Motor With Variable Displacement DMVA108 DMVA165 DMVA215 DMVA370
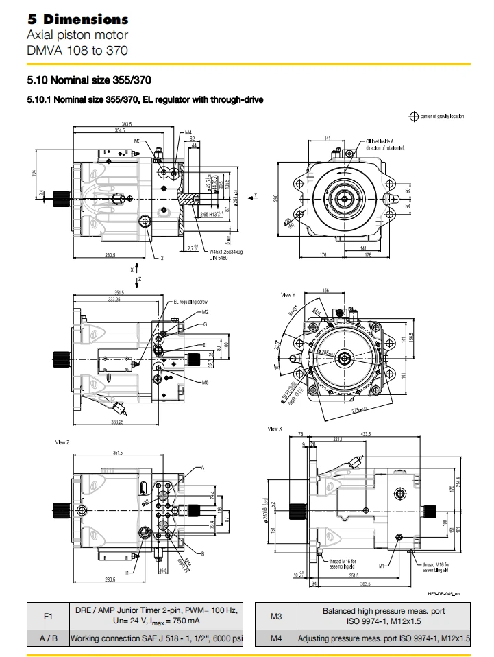
The Liebherr axial piston motors DMVA series have aswash plate design for the open and closed circuit andwere specially developed for use in mobile machinery inharsh environments. The inverse drive with a swivel angle of 22° is very effi.cient and has a very high power density, making it idealfor applications that require an adjustable displacement. The variable flange motors are available in nominal sizesranging from 108 to 370. The nominal pressure is 450bar (NS 370 = 400 bar) and the maximum pressure is 500bar (NS 370 = 450 bar) absolute. The optional through-drive can be used for mounting abrake or tandemn motor. The DMVA series is available with the most commoncontrols. Speed sensor or preparation for speed sensoravailable on request.Valid for:DMVA 108DMVA 165DMVA 215DMVA 370 Features:Series DOpen and closed circuit.Various regulator types can be selectedPressure range:Nominal pressure pHDy = 450 bar (NG 370 = 400 barMax. pressure pHDax = 500 bar (NG 370 = 450 bar)


|
Axial Piston Motor LIEBHERR DMVA Series With Variable Displacement DMVA 108 DMVA 165 DMVA 215 DMVA 370 |







Hot Tags: liebherr dmva series axial piston motor with variable displacement dmva108 dmva165 dmva215 dmva370, China liebherr dmva series axial piston motor with variable displacement dmva108 dmva165 dmva215 dmva370 manufacturers, suppliers, factory
















