
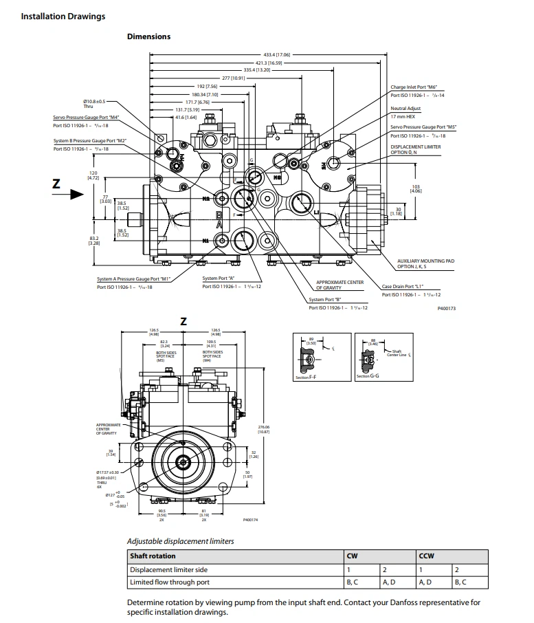
SAUER DANDOSS Series 42 4T Axial Piston Tandem Pumps
eature Series 42 4T Pump type In-line, axial piston, positive displacement pumps including cradle swashplate and servo control Direction of input rotation Clockwise or counterclockwise Recommended installation position Pump installation recommended with control position on the top or side. Consult Danfoss for non conformance guidelines. The housing must always be filled with hydraulic fluid. Other system requirements Independent braking system, suitable reservoir and heat exchanger. S42 Integrated Tandem Pumps (4T) are advanced hydrostatic units for medium power applications with maximum loads of 415 Bar [6020 psi] (41 cm3 ) and 350 Bar [5075 psi] (51 cm3 ). You can combine these pumps with a suitable Danfoss motor or other products in a system to transfer and control hydraulic power. The 4T axial piston pump is a compact, high power density unit, using the parallel axial piston/slipper concept in conjunction with tiltable swashplates to vary the pumps’ displacements. Reversing the angle of the swashplate reverses the flow of fluid from the pump, and reversing the direction of rotation of the motor output. 4T axial piston pumps provide an infinitely variable speed range between zero and maximum in both forward and reverse. 4T axial piston pumps use a cradle swashplate design with a hydraulic servo control cylinder. Control is provided through a compact servo control system. Two types of servo controls are available. These include mechanical hydraulic actuated feedback controls, and hydraulic proportional control. These controls feature low hysteresis and responsive performance.

We supply top manufacturers components as, Bosch Rexroth, Rexroth
Indramat, Parker Hannifin, Moog, Eaton Vickers, Denison, Hawe, Sunfab, Yuken, Hydac, Kawasaki/KPM, Staffa, Voith, Sauer Danfoss, Hydro Leduc, Calzoni, Atos, Bucher, Oilgear, Tokyo Keiki, Schneider KREUZNACH, Linde, Marzocchi, Eckerle, HBM, Siemens, Schneider Electronic, Sick, Baumer, Herion, Norgren, Aventics .....
Feel free inquiry us please if you are interested in our sales. BAILE HYDRAULIC is your nice
partner in resource of hydraulics and electronics. More detail, please visit us
R
| SAUER DANDOSS Series 42 4T Axial Piston Tandem Pumps |







|
|
11002065 PUMP-VAR-DISPL CCW H1PV078 H1-P-078-L-A-A3-C2-N-F6-H-G9-H6-L-42-L-42-C-L-24-PN-NNN-NNN H1-HP PUMPS H1-069PV/078PV
11002066 PUMP-VAR-DISPL CCW H1PV078 H1-P-078-L-A-A3-C2-N-D6-H-G1-NN-L-42-L-42-C-L-24-PN-NNN-NNN H1-HP PUMPS H1-069PV/078PV
11002067 PUMP-VAR-DISPL CW H1PV147 H1-P-147-R-C-A2-C2-B-D8-G-G3-NN-L-42-L-42-A-P-30-PN-NNN-NNN H1-HP PUMPS H1-147PV/165PV
11002103 PUMP-VAR-DISPL CW 42PV041 42-R-41-D-G1A1-72-J-3-C-3-F-5-V-34-34-N-0-0-NNN-NNN SERIES 42 S42-041PV/051PV
11002124 PUMP-VAR-DISPL CCW 90PV130 90L130-FH-V-NV-8E-R-7-F4-F-B9-GB7-45-45-30 SERIES 90 S90-130PV
11002147 PUMP-VAR-DISPL CW 90PV055 90R055-KA-5-NN-80-S-3-C6-C-03-GBA-26-26-24 SERIES 90 S90-055PV
11002165 PUMP-VAR-DISPL CW 90PV055 90R055-KA-5-NN-60-S-3-C6-C-03-GBA-38-38-20 SERIES 90 S90-055PV
11002327 PUMP-VAR-DISPL CW H1PV165 H1-P-165-R-C-A2-C2-N-D3-G-G3-NN-L-35-L-20-L-M-24-PN-NNN-NNN H1-HP PUMPS H1-147PV/165PV
11002445 PUMP-VAR-DISPL CCW 90PV055 90L055-DD-5-BC-60-S-3-S1-B-50-GBA-38-38-24 SERIES 90 S90-055PV
11002450 PUMP-VAR-DISPL CW 90PV055 90R055-MA-5-CD-80-P-3-C6-C-05-GBA-26-26-24 SERIES 90 S90-055PV
11002495 PUMP-VAR-DISPL CW H1PV147 H1-P-147-R-C-A4-C3-N-E8-G-G2-H3-L-42-L-42-L-L-30-PN-NNN-G25 H1-HP PUMPS H1-147PV/165PV
11002561 PUMP-VAR-DISPL CW 90PV055 90R055-MA-5-BC-60-S-4-C6-C-C5-FAB-42-42-24 SERIES 90 S90-055PV
11002586 PUMP-VAR-DISPL CW H1PV078 H1-P-078-R-A-A8-C2-C-D8-H-G9-H5-L-42-L-42-N-E-24-P1-NNN-NNN H1-HP PUMPS H1-069PV/078PV
11002609 PUMP-VAR-DISPL CCW H1PV165 H1-P-165-R-C-A2-C2-N-D8-G-G3-H5-L-33-L-33-L-P-24-PN-NNN-NNN H1-HP PUMPS H1-147PV/165PV
11002612 PUMP-VAR-DISPL CW H1PV165 H1-P-165-R-C-A2-C2-N-D3-G-G3-H6-L-35-L-35-L-M-24-PN-NNN-NNN H1-HP PUMPS H1-147PV/165PV
11002631 PUMP-VAR-DISPL CW 90PV055 90R055-KA-5-NN-80-P-3-S1-C-03-GBA-35-35-24 SERIES 90 S90-055PV
11002898 PUMP-VAR-DISPL CW H1PV147 H1-P-147-R-C-A3-C2-N-D9-G-G3-H4-L-45-L-45-L-L-30-PN-NNN-NNN H1-HP PUMPS H1-147PV/165PV
11003501 PUMP-VAR-DISPL CW H1PV165 H1-P-165-R-C-A2-C2-N-D8-G-G2-H6-L-38-L-38-L-P-24-PN-NNN-NNN H1-HP PUMPS H1-147PV/165PV
11004018 PUMP-VAR-DISPL CW H1PV078 H1-P-078-R-A-A2-C2-N-D6-H-G9-H3-L-45-L-45-C-L-20-PN-NNN-NNN H1-HP PUMPS H1-069PV/078PV
11004439 PUMP-VAR-DISPL CCW H1PV147 H1-P-147-L-C-A3-C2-B-D6-G-G3-NN-L-25-L-25-L-L-24-PN-NNN-NNN H1-HP PUMPS H1-147PV/165PV
11005254 PUMP-VAR-DISPL CCW H1PV165 H1-P-165-L-C-A3-C3-N-D6-G-G3-H2-L-42-L-42-L-L-20-PN-NNN-NNN H1-HP PUMPS H1-147PV/165PV
11005448 PUMP-VAR-DISPL CCW H1PV165 H1-P-165-L-C-A5-C2-B-D3-G-G3-H6-L-35-L-35-A-M-24-PN-NNN-NNN H1-HP PUMPS H1-147PV/165PV
11005450 PUMP-VAR-DISPL CCW H1PV147 H1-P-147-L-C-A5-C2-N-D8-G-G3-H6-L-42-L-42-A-P-24-PN-NNN-NNN H1-HP PUMPS H1-147PV/165PV
11005451 PUMP-VAR DISPL CCW H1PV165 H1-P-165-L-C-A4-C2-N-D8-G-G3-H6-L-38-L-38-A-P-24-PN-NNN-NNN H1-HP PUMPS H1-147PV/165PV
11005463 PUMP-VAR DISPLM CCW H1PV147 H1-P-147-L-C-A2-C2-N-D3-G-G3-H6-L-35-L-35-L-M-24-PN-NNN-NNN H1-HP PUMPS H1-147PV/165PV
11005673 PUMP-VAR-DISPL CCW H1PV147 H1-P-147-L-C-A4-C2-N-D3-G-G3-H3-L-30-L-30-A-M-24-PN-NNN-NNN H1-HP PUMPS H1-147PV/165PV
11006033 MOTOR-FIXED-DISPL 90MF130 90-M-130-NC-0-N-8-N-0-F1-N-00-EBA-00-00-00 SERIES 90 S90-130MF
11006037 PUMP-VAR-DISPL CW H1PV165 H1-P-165-R-C-A2-C2-N-D3-G-G2-NN-L-42-L-42-L-M-24-PN-NNN-NNN H1-HP PUMPS H1-147PV/165PV
11006191 PUMP-VAR-DISPL CW H1PV165 H1-P-165-R-C-A2-C2-N-D6-G-G3-H3-L-42-L-42-L-L-24-PN-NNN-NNN H1-HP PUMPS H1-147PV/165PV
11006212 PUMP-VAR-DISPL CW H1PV165 H1-P-165-R-C-A2-C2-N-D9-G-G2-H4-L-42-L-42-L-L-24-PN-NNN-NNN H1-HP PUMPS H1-147PV/165PV
11006484 PUMP-VAR-DISPL CCW H1PV078 H1-P-078-L-A-A2-C2-N-F5-H-F1-H6-L-33-L-33-C-P-28-PN-C07-NNN H1-HP PUMPS H1-069PV/078PV
11006880 PUMP-VAR-DISPL CCW H1PV165 H1-P-165-L-C-A5-C2-B-D3-G-G3-H6-L-35-L-35-A-M-24-PN-NNN-NNN H1-HP PUMPS H1-147PV/165PV
11007567 PUMP-VAR-DISPL CW H1PV165 H1-P-165-R-C-A4-C3-N-D3-G-G2-H2-L-42-L-42-L-M-30-PN-NNN-NNN H1-HP PUMPS H1-147PV/165PV
11007568 PUMP-VAR-DISPL CCW H1PV147 H1-P-147-L-C-A2-C2-N-D6-G-G3-H3-L-42-L-42-A-L-24-PN-NNN-NNN H1-HP PUMPS H1-147PV/165PV
11007657 PUMP-VAR-DISPL CCW H1PV165 H1-P-165-L-C-A5-C2-N-D8-G-G3-H6-L-35-L-35-A-P-24-PN-NNN-NNN H1-HP PUMPS H1-147PV/165PV11008314 PUMP-VAR-DISPL CW H1PV078 H1-P-078-R-A-A8-C2-C-D8-H-G9-H2-K-45-K-45-N-E-28-P1-NNN-NNN H1-HP PUMPS H1-069PV/078PV
11009112 PUMP-VAR-DISPL CW H1PV147 H1-P-147-R-C-A5-C2-N-D7-G-G2-H4-L-42-L-42-A-P-24-PN-NNN-NNN H1-HP PUMPS H1-147PV/165PV
11009115 PUMP-VAR-DISPL CW H1PV165 H1-P-165-R-C-A2-C2-N-D8-G-G2-H2-L-35-L-35-L-P-24-PN-NNN-NNN H1-HP PUMPS H1-147PV/165PV
11009620 PUMP-VAR-DISPL CW H1PV078 H1-P-078-R-A-A3-C2-N-F6-H-G9-H6-L-42-L-42-C-L-24-PN-NNN-NNN H1-HP PUMPS H1-069PV/078PV
11009635 PUMP-VAR-DISPL CW H1PV078 H1-P-078-R-A-A8-C2-C-D8-H-G9-H3-K-48-K-48-C-P-28-P1-NNN-NNN H1-HP PUMPS H1-069PV/078PV
11009785 PUMP-VAR-DISPL CW H1PV165 H1-P-165-R-C-A4-C3-N-E8-G-G2-H3-L-42-L-42-L-L-30-PN-NNN-G25 H1-HP PUMPS H1-147PV/165PV
11009797 PUMP-VAR-DISPL CW H1PV147 H1-P-147-R-C-A2-C2-N-D3-G-G3-H6-L-42-L-42-L-M-24-PN-NNN-NNN H1-HP PUMPS H1-147PV/165PV
11009798 PUMP-VAR-DISPL CW H1PV078 H1-P-078-R-A-A8-C2-C-D3-H-G9-H3-L-42-L-42-C-M-24-P1-NNN-NNN H1-HP PUMPS H1-069PV/078PV
11010006 MOTOR-VAR-DISPL H1B080 H1-B-080-A-M1-CA-N-B-RB-CS-AS-S-A-10-NN-000-N-00-NNN H1-HP MOTORS H1-080MB1
11010281 MOTOR-FIXED-DISPL 90MF130 90-M-130-NC-0-N-8-N-0-F1-W-00-EEA-00-00-G0 SERIES 90 S90-130MF
11010347 PUMP-VAR-DISPL CW H1PV147 H1-P-147-R-C-A4-C2-N-D5-G-G3-H4-L-40-L-40-A-M-24-PN-NNN-NNN H1-HP PUMPS H1-147PV/165PV
11010724 PUMP-VAR-DISPL CW H1PV115 H1-P-115-R-B-B8-C2-C-D3-G-A9-H6-L-40-L-40-A-M-30-P1-NNN-NNN H1-HP PUMPS H1-115PV/130PV
11012378 END CAP, H1B110 SP 6162-2 P25M 2POS H1-HP MOTORS PARTS
11023567 MOTOR-FIXED-DISPL 90MF100 90-M-100-NC-0-N-8-N-0-S1-W-00-NNN-00-00-H0 SERIES 90 S90-100MF
11024201 END CAP, H1B080 AP 6162-2 P25M 2POS H1-HP MOTORS PARTS - H1-MV
11024212 END CAP, H1B080 SP 6162-2 P25M 2POS H1-HP MOTORS PARTS - H1-MV
11025270 MOTOR-FIXED-DISPL 90MF130 90-M-130-NC-0-N-8-N-0-F1-W-00-NNN-00-00-E4 SERIES 90 S90-130MF
11025494 PUMP-VAR-DISPL SPV15 LIGHT DUTY S10-015PV
11025841 MOTOR-VAR-DISPL H1B110 H1-B-110-A-M1-CA-N-A-RB-CS-JS-S-A-15-NN-000-N-00-NNN H1-HP MOTORS H1-110MB1
11025865 MOTOR-VAR-DISPL H1B110 H1-B-110-A-K2-K2-N-A-RA-VN-DN-N-N-NN-NN-022-N-18-NNN H1-HP MOTORS H1-110MB1
11027905 MOTOR-FIXED-DISPL 20MF227 SMF2/227-B6Z-MR42422-A1 SERIES 20 S20-227MF
11027907 MOTOR-FIXED-DISPL 20MF166 SMF2/166-B6Z-MR42422-A1 SERIES 20 S20-166MF
11030634 MOTOR-FIXED-DISPL 90MF100 90-M-100-NC-0-N-8-N-0-C7-W-00-EFA-00-00-E6 SERIES 90 S90-100MF
11032931 PUMP VAR CCW LIGHT DUTY S10-015PV
11035928 PUMP-VAR-DISPL CW 90PV130 90R130-NA-Z-NV-8K-V-3-C4-F-04-GB9-42-42-30-L003 SERIES 90 S90-130PV
11039118 MOTOR-VAR-DISPL H1B110# H1-B-110-A-P1-D1-N-C-TA-DN-KN-N-A-15-NN-030-Z-24-N06 H1-HP MOTORS H1-110MB1
11039184 ADAPTER SAE-C 90PV130 2-BOLT SERIES 90 PARTS - S90
11039872 MOTOR-FIXED-DISPL TMM089 TMM089B-6C42-NNN-D-A3M-BDN TMM / TMP TMM089
11039873 MOTOR-FIXED-DISPL TMM070 TMM070B-6C42-NNN-D-A3M-BDN TMM / TMP TMM070
11039877 MOTOR-FIXED-DISPL TMM089 TMM089B-6MNN-NNN-D-D2M-BDN TMM / TMP TMM089
11039879 MOTOR-FIXED-DISPL TMM070 TMM070B-6MNN-NNN-D-D2M-BDN TMM / TMP TMM070
11040311 MOTOR-VAR-DISPL H1B110 H1-B-110-A-L1-BA-N-N-PA-VS-DS-S-A-15-NN-000-N-00-NNN H1-HP MOTORS H1-110MB1
11040312 MOTOR-VAR-DISPL H1B080 H1-B-080-A-L1-BA-N-N-PB-VS-AS-S-A-10-NN-000-N-00-NNN H1-HP MOTORS H1-080MB1
11040384 MOTOR-FIXED-DISPL 90MF100 90-M-100-NC-0-N-X-N-0-C7-W-00-CBF-00-00-B3 SERIES 90 S90-100MF
11041110 PUMP-VAR-DISPL SPV15 LIGHT DUTY S10-015PV
11041474 MOTOR-VAR-DISPL H1B080 H1-B-080-A-M1-CA-N-A-RB-CS-HS-S-A-10-NN-000-N-00-NNN H1-HP MOTORS H1-080MB1
11041573 MOTOR-VAR-DISPL H1B110# H1-B-110-A-P1-D1-N-A-TA-DN-JN-N-A-15-NN-048-Z-24-N11 H1-HP MOTORS H1-110MB1
11042843 MOTOR-VAR-DISPL H1B110 H1-B-110-A-K1-K1-N-C-RA-DS-KS-S-A-15-NN-042-N-24-NNN H1-HP MOTORS H1-110MB1
11043125 VALVE-SEGMENT 2POS H1B060 ASSY H1-HP MOTORS PARTS - H1-MV
11043127 KIT-CYLINDER-BLOCK H1B060 ASSY H1-HP MOTORS PARTS - H1-MV
11043187 SHAFT-SP H1B060 14T DIN5480 ASSY (GS) H1-HP MOTORS PARTS - H1-MV
11044425 PUMP-VAR-DISPL CW H1PV089 H1-P-089-R-A-A2-C2-N-D8-H-G9-H2-L-45-L-45-M-P-24-PN-NNN-NNN H1-HP PUMPS H1-089PV/100PV
11044427 PUMP-VAR-DISPL CW H1PV100 H1-P-100-R-A-A2-C2-N-D8-H-G9-H2-L-45-L-45-M-P-24-PN-NNN-NNN H1-HP PUMPS H1-089PV/100PV
11046243 MOTOR-FIXED-DISPL 90MF100 90-M-100-NC-0-N-8-N-0-C7-W-00-NNN-00-00-G3 SERIES 90 S90-100MF
11046631 PISTON-SERVO 90PV130 ASSY NFPE SERIES 90 PARTS - S90
11047944 MOTOR-FIXED-DISPL 90MF100 90-M-100-NC-0-N-7-N-0-K3-N-00-NNN-00-00-00 SERIES 90 S90-100MF
11050997 MOTOR-FIXED-DISPL 90MF100 90-M-100-NC-0-N-8-N-0-K3-W-00-EAA-00-00-F3 SERIES 90 S90-100MF
11051756 TRANSMISSION LDU 20 U-STYLE CW LDU-20D-R-A-L-S-JJ-J-A-N-07-N-28N-28N-NNN-NNN DDC20/LDU20 OSK-020U - DO NOT USE
11052595 MOTOR-FIXED-DISPL 90MF100 90-M-100-NC-0-N-8-N-0-C7-W-00-EGL-00-00-H0 SERIES 90 S90-100MF
11052982 PUMP-VAR-DISPL CCW 20PV166 SPV2/166-L6P-PS193-VAD500-A1 SERIES 20 S20-166PV
11054402 SERVICE VALVE-SEGMENT 2POS H1B160 ASSY H1-HP MOTORS PARTS - H1-MV
11055627 PUMP-VAR, CCW LIGHT DUTY S10-015PV
11056369 PUMP-VAR DISPL, CW 90PV075 90-R-075-KA-1-NN-60-R-4-S1-E-03-GBA-26-26-24 SERIES 90 S90-075PV
11056664 PUMP-VAR DISPL, MPV046 MPV-046-C-B-A-B-R-B-A-AA-G-A-BFF-AB-U-BD-A-NNN M46 M46-046PV
11057787 BEARING-SLIPPER GUIDE 90PV055 SERIES 90 PARTS - S90
11058342 MOTOR-FIXED-DISPL 90MF100 90-M-100-NC-0-N-8-N-0-S1-W-00-NNN-00-00-G3 SERIES 90 S90-100MF
11058518 PUMP-VAR DISPL, CW 90PV055 90-R-055-MA-1-NN-80-S-4-S1-C-03-GBA-42-42-24 SERIES 90 S90-055PV
11058846 PUMP-VAR DISPL, CW 90PV250 90-R-250-KA-5-AB-80-T-3-F1-K-03-NNN-35-35-28 SERIES 90 S90-250PV
11058857 PUMP-VAR DISPL, CCW 90PV075 90-L-075-KA-1-CD-60-S-4-S1-E-33-GBA-26-26-30 SERIES 90 S90-075PV
11058858 PUMP-VAR DISPL, CW 90PV075 90-R-075-KA-1-BC-60-S-4-S1-E-33-GBA-26-26-30 SERIES 90 S90-075PV
11059655 MOTOR-FIXED DISPL, 90MF075 90-M-075-NC-0-N-8-N-0-C6-N-00-NNN-00-00-00 SERIES 90 S90-075MF
11059805 MOTOR-FIXED-DISPL 90MF100 90-M-100-NC-0-N-7-N-0-C7-W-00-NNN-00-00-G3 SERIES 90 S90-100MF
11060218 MOTOR-FIXED-DISPL 90MF100 90-M-100-NC-0-N-7-N-0-S1-W-00-NNN-00-00-F0 SERIES 90 S90-100MF
11060521 PUMP-VAR DISPL, CW 90PV130 90-R-130-KA-1-CD-80-S-3-F1-F-33-GBA-32-32-24 SERIES 90 S90-130PV
11060834 PUMP-VAR DISPL, CCW 90PV100 90-L-100-KA-1-BC-80-R-4-F1-F-03-GBA-38-38-24 SERIES 90 S90-100PV
11060899 PUMP-VAR DISPL, MPV046 MPV-046-C-B-A-G-R-B-A-AA-A-A-BJJ-AB-U-CF-C-NNN M46 M46-046PV
11060901 PUMP-VAR DISPL, CCW 90PV075 90-L-075-MA-1-BC-80-S-4-S1-D-02-GBA-32-32-24 SERIES 90 S90-075PV
11060912 PUMP-VAR DISPL, CCW 90PV100 90-L-100-MC-1-BC-60-S-3-S1-E-02-GBA-32-32-24 SERIES 90 S90-100PV
11061958 VALVE-ORIFICED CHECK (0.81MM) SERIES 90 PARTS - S90
11061981 VALVE-ORIFICED CHECK (1.37MM) SERIES 90 PARTS - S90
11061993 VALVE-ORIFICED CHECK (1.57MM) SERIES 90 PARTS - S90
11062150 PUMP-VAR DISPL, CW 90PV075 90-R-075-KA-1-NN-60-R-4-S1-E-03-GBA-35-35-24 SERIES 90 S90-075PV
11062266 PUMP-VAR DISPL, CCW 90PV055 90-L-055-HS-1-BC-60-R-3-S1-D-03-GBA-42-42-30 SERIES 90 S90-055PV
11062268 PUMP-VAR DISPL, CCW 90PV075 90-L-075-KA-1-BC-60-R-3-S1-E-03-GBA-42-42-30 SERIES 90 S90-100PV
11062322 PUMP-VAR DISPL, CCW 90PV100 90-L-100-KA-1-BC-60-R-3-F1-F-03-GBA-42-42-30 SERIES 90 S90-100PV
11062607 PUMP-VAR DISPL, CW 90PV130 90-R-130-KA-1-NN-80-R-3-F1-F-03-GBA-42-42-42 SERIES 90 S90-130PV
11064283 PUMP-VAR DISPL, CCW 90PV250 90-L-250-KA-1-NN-80-S-3-F1-J-03-NNN-35-35-28 SERIES 90 S90-250PV
11064284 PUMP-VAR DISPL, CCW 90PV250 90-L-250-HS-1-CD-80-S-3-F1-J-03-NNN-35-35-28 SERIES 90 S90-250PV
11064364 PUMP-VAR DISPL, CW 90PV250 90-R-250-HS-5-CD-80-T-3-F1-K-03-NNN-23-23-24 SERIES 90 S90-250PV
11064968 PUMP-VAR DISPL, CW 90PV055 90-R-055-KA-1-AB-60-S-3-S1-C-33-GBA-26-26-30 SERIES 90 S90-055PV
11065260 PUMP-VAR DISPL, CW 90PV100 90-R-100-MA-1-NN-80-L-4-S1-E-03-GBA-35-35-24 SERIES 90 S90-100PV
11065603 MOTOR-VAR DISPL, 51MV160 51V160-R-F1-N-TA-C2-L-N-K7-NNN-064-AA-E4-00-A6 SERIES 51 S51-160MV
11065604 MOTOR-VAR DISPL, 51MV110 51V110-R-F1-N-TA-C2-L-N-K7-NNN-044-AA-E4-00-A6 SERIES 51 S51-110MV-1
11065605 MOTOR-VAR DISPL, 51MV080 51V080-R-S1-N-TA-C2-L-N-K7-NNN-032-AA-E4-00-A6 SERIES 51 S51-080MV
11065656 PUMP-VAR DISPL, CW 90PV130 90-R-130-KA-5-BC-80-P-4-F1-H-03-GBA-35-35-24 SERIES 90 S90-130PV11065820 MOTOR-FIXED-DISPL 90MF100 90-M-100-NC-0-N-8-N-0-C7-W-00-EFA-00-00-G0 SERIES 90 S90-100MF
11066703 PUMP-VAR DISPL, CW 90PV180 90-R-180-KA-1-NN-80-S-M-C8-H-03-FAC-35-35-28 SERIES 90 S90-180PV
11066712 PUMP-VAR DISPL, CW 90PV180 90-R-180-KN-5-DE-80-S-M-C8-H-33-FAC-42-42-24 SERIES 90 S90-180PV
11066714 PUMP-VAR DISPL, CW 90PV055 90-R-055-KA-1-NN-60-S-4-C6-D-03-GBA-35-35-24 SERIES 90 S90-055PV
11067339 MOTOR-FIXED DISPL, 90MF130 90-M-130-NC-0-N-8-N-0-F1-N-00-NNN-00-00-00 SERIES 90 S90-130MF
11067556 PUMP-VAR DISPL, CCW 90PV075 90-L-075-KA-1-AB-60-P-3-C7-D-03-GBA-42-42-24 SERIES 90 S90-075PV
11068410 PUMP-TANDEM-VAR DISPL S42PT28 SERIES 42 S42-028PT/032PT Bolted Tandem
11068825 PUMP-VAR DISPL, CW 90PV180 90-R-180-KP-5-EG-80-T-M-C8-H-03-FAC-24-24-24 SERIES 90 S90-180PV
11068826 PUMP-VAR DISPL, CW 90PV180 90-R-180-KP-5-NN-80-T-M-C8-H-03-NNN-24-24-24 SERIES 90 S90-180PV
11068998 MOTOR-VAR DISPL, 51MV110 51V110-R-F1-N-HS-A2-A-H-E1-NNN-040-AA-F0-16-30 SERIES 51 S51-110MV-1
11069441 PUMP-VAR DISPL, CW 90PV100 90-R-100-KA-1-CD-60-L-3-S1-E-03-GBA-42-42-24 SERIES 90 S90-100PV
11069614 MOTOR-FIXED DISPL, 90MF055 90-M-055-NC-0-N-8-N-0-C6-W-00-EBA-00-00-F0 SERIES 90 S90-055MF
11069964 PUMP-VAR DISPL, MPV046 MPV-046-C-B-A-B-R-B-A-AA-A-A-BFF-AB-U-ED-A-NNN M46 M46-046PV
11069965 PUMP-VAR DISPL, MPV046 MPV-046-C-B-A-D-R-B-A-AA-A-A-BFF-AB-U-ED-B-NNN M46 M46-046PV
11070109 PUMP-VAR DISPL, MPV046 MPV-046-C-B-B-A-R-B-A-AA-A-C-BFF-CD-A-JJ-C-NNN M46 M46-046PV
11070159 SEAL-LIP-PPS 55X70X7.0 W/O DUST-SEAL-LIP SERIES 51 PARTS - S51
11071356 ASSY-RETAINED PISTON 38CC K LIGHT DUTY PARTS - Low Power
11071650 PUMP-VAR DISPL, CCW 90PV100 90-L-100-HS-1-BB-60-R-3-F1-F-03-GBA-42-42-30 SERIES 90 S90-100PV
11071663 PUMP-VAR DISPL, CW 90PV075 90-R-075-CA-1-NN-80-R-4-S1-D-00-GBA-35-35-24 SERIES 90 S90-075PV
11071944 MOTOR-FIXED-DISPL 90MF100 90-M-100-NC-0-N-8-N-0-C6-W-00-EFA-00-00-F3 SERIES 90 S90-100MF
11072091 PVG32 4BK PVEH CC PC BABC OPSP PVG324BK PVEH CC PVP BABC OPSP-159U7502 PVG32/120 PVG 32 Valve Stack
11072103 PVG32 1BKPVEH CC PVP B OSP 11032865F PVG32 1BKPVEH CC PVP B OSP-11032865F PVG32/120 PVG 32 Valve Stack
11072104 PVG32 1BKPVEH CC PVP C OSP 11043516F PVG32 1BKPVEH CC PVP C OSP-11043516F PVG32/120 PVG 32 Valve Stack
11072365 PUMP-VAR DISPL, CCW 90PV100 90-L-100-KA-1-AB-60-L-4-S1-F-03-GBA-35-35-24 SERIES 90 S90-100PV
11072401 PUMP-VAR DISPL, CW 90PV180 90-R-180-KA-1-NN-80-T-M-F1-H-03-FAC-26-26-28 SERIES 90 S90-180PV
11072856 MOTOR-FIXED DISPL, 90MF075 90-M-075-NC-0-N-8-N-0-S1-N-00-EBA-00-00-00 SERIES 90 S90-075MF
11074206 PUMP-VAR DISPL, MPV046 MPV-046-C-B-B-V-S-B-B-AA-G-A-BFF-CG-A-HH-C-NNN M46 M46-046PV
11074579 PUMP-VAR DISPL, MPV046 MPV-046-C-B-B-A-R-B-S-AA-A-A-BDD-BB-A-ED-A-NNN M46 M46-046PV
11075276 PUMP-VAR-DISPL 42PV028 CCW 42-L-28-D-E1A4-02-C-4-N-N-D-N-B-21-21-N-A-A-NNN-NNN SERIES 42 S42-028PV/032PV
11075277 PUMP-VAR-DISPL 42PV028 CCW 42-L-28-C-E1A4-02-C-4-A-3-D-N-N-21-21-N-A-A-NNN-NNN SERIES 42 S42-028PV/032PV
11075278 PUMP-VAR-DISPL 42PV028 CCW 42-L-28-D-E1A6-03-C-2-A-2-F-N-B-30-30-B-N-N-NNN-NNN SERIES 42 S42-028PV/032PV
11075279 PUMP-VAR-DISPL 42PV028 CCW 42-L-28-C-E1A6-03-C-2-A-2-F-N-N-30-30-B-N-N-NNN-NNN SERIES 42 S42-028PV/032PV
11075280 PUMP-VAR-DISPL 42PV041 CCW 42-L-41-E-E1A5-03-B-2-X-N-E-N-V-34-34-N-N-N-NNN-NNN SERIES 42 S42-041PV/051PV
11075281 PUMP-VAR-DISPL 42PV041 CCW 42-L-41-D-E1A5-03-B-2-X-A-E-N-Z-34-34-N-N-N-NNN-NNN SERIES 42 S42-041PV/051PV
11075282 PUMP-VAR-DISPL 42PV028 CCW 42-L-28-D-E1A6-03-C-2-A-2-F-N-B-25-25-B-N-N-NNN-NNN SERIES 42 S42-028PV/032PV
11075283 PUMP-VAR-DISPL 42PV028 CCW 42-L-28-C-E1A6-03-C-2-A-2-F-N-N-25-25-B-N-N-NNN-NNN SERIES 42 S42-028PV/032PV11075284 PUMP-VAR-DISPL 42PV041 CCW 42-L-51-K-E1A5-01-B-D-G-3-H-N-V-36-36-N-N-N-NNN-NDD SERIES 42 S42-041PV/051PV
11075285 PUMP-VAR-DISPL 42PV041 CCW 42-L-51-D-E1A5-01-B-D-G-3-H-N-B-36-36-N-N-N-NNN-NDD SERIES 42 S42-041PV/051PV
11075817 SHAFT-PUMP-2/089-23T SERIES 20 PARTS - S20 - Unique
11076829 PUMP-VAR DISPL, CCW 90PV100 90-L-100-KA-1-NN-60-S-4-C7-E-03-GBA-38-38-24 SERIES 90 S90-100PV
11076999 PUMP-VAR DISPL, CW 90PV075 90-R-075-HS-1-BB-60-S-4-S1-E-03-GBA-32-32-24 SERIES 90 S90-075PV
11077000 PUMP-VAR DISPL, CW 90PV075 90-R-075-HS-1-CD-60-S-4-S1-E-03-GBA-32-32-24 SERIES 90 S90-075PV
11077392 PUMP-VAR-DISPL CW DDC20 DDC-20-A-R-RB-LSA-NN-A-2-N-BA-AAN9-A-07-21A-21A-NNN-NNN DDC20/LDU20 OSK-020PV - DO NOT USE
11077638 HIGH PRESSURE HOUSE 370L-KIT SERIES 20 PARTS - S20 - "No Name"
11077676 PUMP-VAR DISPL, CCW 90PV075 90-L-075-KN-1-CD-80-S-4-S1-D-03-GBA-24-14-20 SERIES 90 S90-075PV
11078301 SEAL-SHAFT-S20-2/089 ASSY SERIES 20 PARTS - S20 - Unique
11078746 DISPLACEMENT 2/089 COMPL SERIES 20 PARTS - S20 - Unique
11078754 SHAFT-PUMP-23T 2/089 M10 SERIES 20 PARTS - S20 - Unique
11078755 CONTROL-ANLR-ST 2/033-070 SEAL-ST-LEVER SERIES 20 PARTS - S20 - Unique
11078934 PUMP-VAR-DISPL CW 20PV089 SPV2/089--R6Z-PS183-507-B1 SERIES 20 S20-089PV
11078935 PUMP-VAR-DISPL CW 20PV089 SPV2/089--R6Z-PS183-506-B1 SERIES 20 S20-089PV
11079112 PUMP-VAR DISPL, CW 90PV100 90-R-100-KA-1-AB-60-S-3-S1-E-03-GBA-42-42-24 SERIES 90 S90-100PV
11079473 PUMP-VAR-DISPL CW TMP089 TMP-089-EDC024A-R-M42-20G22-N-G-NCN-BDN TMM / TMP TMP089
11079475 PVG32 3BK MAN CC PVP E CL OP SP 159U7463 PVG32 3BK MAN CC PVP E CL OPSP-159U7463 PVG32/120 PVG 32 Valve Stack
11079522 ASSY-RETAINED PISTON, 15 SERIES LIGHT DUTY PARTS - Low Power
11079772 PUMP-VAR DISPL, CW 90PV055 90-R-055-KA-1-NN-60-S-4-C6-C-03-GBA-29-29-20 SERIES 90 S90-055PV
11079913 PUMP-VAR DISPL, MPV046 MPV-046-C-B-A-H-R-B-A-AA-A-A-BDD-AB-U-ED-A-NNN M46 M46-046PV
11079959 SERVO-SLEEVE-TMP-NFPE-070-ASSY TMM / TMP PARTS - TMM/TMP
11080049 PUMP-VAR DISPL CW 90PV055 90R055-DD-1-AB-60-P-4-S1-D-G4-GBA-35-35-20 SERIES 90 S90-055PV
11080051 PUMP-VAR DISPL CW 90PV055 90R055-DD-1-NN-60-P-4-S1-C-GB-GBA-42-42-24 SERIES 90 S90-055PV
11080055 PUMP-VAR DISPL CW 90PV055 90R055-DD-1-NN-60-P-4-S1-D-G4-GBA-35-35-20 SERIES 90 S90-055PV
11080056 PUMP-VAR DISPL CW 90PV055 90R055-DD-1-AB-60-S-4-S1-D-G4-GBA-35-35-20 SERIES 90 S90-055PV
11080057 PUMP-VAR DISPL CW 90PV055 90R055-DD-1-NN-60-S-4-S1-D-G4-GBA-35-35-20 SERIES 90 S90-055PV
11080076 PUMP-VAR DISPL, CW 90PV100 90-R-100-DD-1-CD-80-L-4-F1-E-03-GBA-30-30-24 SERIES 90 S90-100PV
11080077 PUMP-VAR DISPL, CW 90PV100 90-R-100-DD-1-BC-80-L-4-S1-E-03-GBA-30-30-24 SERIES 90 S90-100PV
11080311 PUMP-VAR DISPL, CW 90PV100 90-R-100-KA-1-CD-60-L-4-F1-E-03-GBA-30-30-24 SERIES 90 S90-100PV
11080382 PUMP-VAR DISPL, CW 90PV180 90-R-180-KA-1-CD-80-T-C-C8-J-03-FAC-42-42-30 SERIES 90 S90-180PV
11080876 SYSTEM H1P078R + H1P045R SYSTEM H1P078R + H1P045R H1-HP PUMPS H1-069PT/078PT
11082056 PUMP-VAR DISPL, MPV046 MPV-046-C-B-A-D-R-B-J-AA-A-A-BGG-AB-U-ED-B-NNN M46 M46-046PV
11082285 PUMP-VAR DISPL, CW 90PV075 90-R-075-HF-1-CD-60-S-4-S1-D-03-GBA-24-24-24 SERIES 90 S90-075PV
11082287 PUMP-VAR DISPL, CW 90PV075 90-R-075-MA-1-AC-60-L-4-S1-E-03-GBA-35-35-24 SERIES 90 S90-075PV
11082291 PUMP-VAR-DISPL CW TMP070 TMP-070-EDC024A-R-M42-20G22-A-G-NCN-BDN TMM / TMP TMP07011082302 PUMP-VAR DISPL, CW 90PV075 90-R-075-MA-1-CD-60-L-4-T2-E-03-GBA-35-35-24 SERIES 90 S90-075PV
11082306 PUMP-VAR-DISPL CW TMP089 TMP-089-EDC024A-R-M42-20G22-A-G-NCN-BDN TMM / TMP TMP089
11082791 SHAFT,TMP 21T_16/32-SAE-BB TMM / TMP PARTS - TMM/TMP
11082887 PUMP-VAR DISPL, CW 90PV100 90-R-100-HF-1-CD-60-S-3-F1-E-03-GBA-39-39-24 SERIES 90 S90-100PV
11082952 PUMP-VAR DISPL, CW 90PV100 90-R-100-KA-1-NN-60-S-4-F1-E-03-GBA-35-35-24 SERIES 90 S90-100PV
11083716 MOTOR-VAR DISPL, 51MV160 51V160-A-F1-N-TH-C2-L-N-K7-NNN-032-AA-NN-00-B0 SERIES 51 S51-160MV
11083759 PUMP-VAR DISPL, MPV046 MPV-046-C-B-B-V-S-B-B-AA-A-A-BFF-CG-A-HH-C-NNN M46 M46-046PV
11084563 PUMP-VAR DISPL, CCW 90PV130 90-L-130-HS-5-NN-80-S-3-F1-H-03-GBA-39-39-24 SERIES 90 S90-130PV
11085387 PUMP-VAR DISPL, CW 90PV100 90-R-100-KA-1-NN-60-S-4-S1-E-00-GBA-14-14-24 SERIES 90 S90-100PV
11085397 PUMP-VAR DISPL, CCW 90PV100 90-L-100-KA-1-BC-60-S-3-S1-F-00-GBA-30-30-30 SERIES 90 S90-100PV
11085841 PUMP-VAR DISPL, CCW 90PV130 90-L-130-DD-5-DE-80-R-4-F1-H-03-GBA-26-26-24 SERIES 90 S90-130PV
11085862 PUMP-VAR DISPL, CCW 90PV130 90-L-130-DD-5-CD-80-R-4-F1-H-03-GBA-24-24-24 SERIES 90 S90-130PV
11086044 PUMP-VAR-DISPL MPV-035-D-B-A-A-R-S-E-AA-A-A-BFF-DR-A-FF-A-NNN M35/44 035PV
11086848 PUMP-VAR DISPL, CCW 90PV130 90-L-130-MA-5-CD-80-S-4-F1-H-03-GBA-39-39-24 SERIES 90 S90-130PV
11086954 PUMP-VAR DISPL, CCW 90PV055 90-L-055-HF-1-CD-60-R-3-S1-C-00-GBA-23-23-24 SERIES 90 S90-055PV
11087011 PUMP-VAR DISPL, CCW 90PV100 90-L-100-MA-1-NN-60-S-4-F1-E-03-GBA-35-35-24 SERIES 90 S90-100PV
11087040 PUMP-VAR-DISPL 42PV041 CCW 42-L-41-E-E2D8-03-A-N-A-2-E-N-N-28-28-B-N-N-NNN-NNN SERIES 42 S42-041PV/051PV
11087280 PUMP-VAR DISPL, CW 90PV100 90-R-100-DD-1-BC-80-R-4-S1-E-03-GBA-30-30-24 SERIES 90 S90-100PV
11087281 PUMP-VAR DISPL, CW 90PV100 90-R-100-DD-1-CD-80-R-4-F1-E-03-GBA-30-30-24 SERIES 90 S90-100PV
11088024 PUMP-VAR DISPL, CW 90PV100 90-R-100-KA-1-CD-80-R-4-F1-E-03-GBA-30-30-24 SERIES 90 S90-100PV
11088317 PUMP-VAR-DISPL CCW 20PV089 SPV2/089--L3K-PS183-509-B1 SERIES 20 S20-089PV
11088388 PUMP-VAR DISPL, CCW 90PV100 90-L-100-KA-1-NN-60-R-4-S1-E-03-GBA-42-42-24 SERIES 90 S90-100PV
11088820 PUMP-VAR DISPL, CCW 90PV075 90-L-075-MA-2-NN-80-S-3-C6-E-02-GBA-42-42-24 SERIES 90 S90-075PV
11088954 PUMP-VAR-DISPL CW TMP089 TMP-089-MDCNNNN-R-M42-20G22-N-C-NCN-BDN TMM / TMP TMP089
11089408 PUMP-VAR-DISPL MPV-035-D-B-A-A-R-S-F-AA-A-A-BDD-DR-A-FF-F-NNN M35/44 035PV
11090795 PUMP-VAR DISPL, CW 90PV075 90-R-075-KA-2-CD-60-P-3-S1-D-03-GBA-35-35-24 SERIES 90 S90-075PV
11090796 PUMP-VAR DISPL, CW 90PV055 90-R-055-KA-2-BC-60-P-3-S1-D-03-GBA-35-35-24 SERIES 90 S90-055PV
11090852 PUMP-VAR DISPL, CCW 90PV100 90-L-100-HS-1-CD-60-S-3-F1-E-03-GBA-42-42-24 SERIES 90 S90-100PV
11090853 PUMP-VAR DISPL, CCW 90PV100 90-L-100-HS-1-NN-60-S-3-S1-E-03-GBA-42-42-24 SERIES 90 S90-100PV
11091051 PUMP-VAR, CCW LIGHT DUTY S10-015PV
11091573 PUMP-VAR DISPL, CCW 90PV100 90-L-100-CB-1-NN-80-S-4-F1-E-00-GBA-35-35-24 SERIES 90 S90-100PV
11092365 MOTOR-VAR DISPL, 51MV160 51V160-R-F1-N-TH-C2-L-N-G0-NNN-080-AA-NN-00-A6 SERIES 51 S51-160MV
11092681 PUMP-VAR-DISPL CCW 90PV130 90L130-MB-1-DH-80-P-3-C8-H-03-GBA-42-42-24 SERIES 90 S90-130PV
11092958 PVG32 4BKMAN CC PVP F OSP 159S6602 PVG32 4BKMAN CC PVP F OSP-159S6602 PVG32/120 PVG 32 Valve Stack
11092976 PUMP-VAR DISPL, CW 90PV100 90-R-100-KA-1-AB-80-S-4-F1-E-03-GBA-42-42-24 SERIES 90 S90-100PV
11093425 PUMP-VAR DISPL, CW 90PV130 90-R-130-DD-5-DE-80-R-4-F1-H-03-GBA-24-24-24 SERIES 90 S90-130PV11093651 PUMP-VAR DISPL, CW 90PV130 90-R-130-KA-5-BC-80-R-4-F1-H-03-GBA-26-26-24 SERIES 90 S90-130PV
11094257 PUMP-VAR DISPL, MPV046 MPV-046-C-B-B-D-R-B-J-AA-G-A-BGG-CG-A-HH-B-NNN M46 M46-046PV
11095026 PUMP-VAR DISPL, CW 90PV130 90-R-130-KA-1-BC-80-P-4-F1-H-03-GBA-38-38-24 SERIES 90 S90-130PV
11095027 MOTOR-VAR DISPL, 51MV160 51V160-A-F1-N-ES-A5-K-Y-A6-NNN-080-AA-F0-70-00 SERIES 51 S51-160MV
11095071 SYSTEM, 90R075+90R075 SERIES 90 PARTS - S90
11095402 PUMP-VAR DISPL, CW 90PV180 90-R-180-HS-1-BC-80-S-3-F1-H-03-FAC-35-35-28 SERIES 90 S90-180PV
11096058 PUMP-VAR DISPL, CW 90PV055 90-R-055-KA-1-CD-60-P-4-S1-C-03-GBA-38-38-24 SERIES 90 S90-055PV
11096117 PUMP-VAR DISPL, CCW 90PV100 90-L-100-MA-1-NN-60-P-4-S1-E-03-GBA-32-32-24 SERIES 90 S90-100PV
11096393 PUMP-VAR DISPL, CCW 90PV055 90-L-055-HS-1-CD-80-S-4-S1-C-00-GBA-32-32-24 SERIES 90 S90-055PV
11096429 MOTOR-VAR DISPL, 51MV110 51V110-R-C8-E-F2-A2-A-N-G1-NNN-040-AA-F3-03-21 SERIES 51 S51-110MV-1
11096430 MOTOR-VAR DISPL, 51MV160 51V160-R-C8-N-F2-A2-A-N-G1-NNN-058-AA-F3-03-21 SERIES 51 S51-160MV
11096577 PUMP-VAR-DISPL 42PV028 CW 42-R-28-D-E2C8-00-A-N-A-2-D-N-B-C4-C4-N-A-A-NNN-ENN SERIES 42 S42-028PV/032PV
11096578 PUMP-VAR-DISPL 42PV028 CW 42-R-28-C-E2C8-00-A-N-A-2-D-N-A-C4-C4-N-A-A-NNN-ENN SERIES 42 S42-028PV/032PV
11099083 PUMP-VAR DISPL, CCW 90PV180 90-L-180-KA-5-CD-80-S-3-C8-J-03-FAC-32-32-24 SERIES 90 S90-180PV
11099084 PUMP-VAR DISPL, CCW 90PV180 90-L-180-KA-5-NN-80-S-3-C8-J-03-FAC-32-32-24 SERIES 90 S90-180PV
11099282 SERVO PRESSURE SUPPLY, H1B (EA) H1-HP MOTORS PARTS - H1-MV
11099337 MOTOR-FIXED-DISPL TMM084 TMM084B-6MNN-9HN-D-D2M-BDN TMM / TMP TMM089
11099785 SEAL-SHAFT-S20-2-070-ASSY SERIES 20 PARTS - S20 - Unique
11099841 PUMP-VAR DISPL, MPV046 MPV-046-C-B-A-B-S-B-B-AA-A-A-BGG-AB-U-ED-A-NNN M46 M46-046PV
11100109 PUMP-VAR DISPL, CW 90PV055 90-R-055-MA-1-NN-80-S-3-C6-D-03-GBA-35-35-24 SERIES 90 S90-055PV
11100110 PUMP-VAR DISPL, CCW 90PV055 90-L-055-MA-1-NN-80-S-3-C6-D-03-GBA-35-35-24 SERIES 90 S90-055PV
11100394 MOTOR-VARIABLE DISPL SAE_K K-V-45DS-A-RNF-F09-S-N-N-CF-F18-NNN-NNN LV / KV MOTORS L/K-MV
11100666 PUMP-VAR DISPL, CW 90PV055 90-R-055-HS-1-CD-60-S-4-S1-C-03-GBA-24-24-24 SERIES 90 S90-055PV
11101271 PUMP-VAR DISPL, CW 90PV100 90-R-100-HS-1-BC-60-S-3-F1-E-03-GBA-42-42-24 SERIES 90 S90-100PV
11101436 PUMP-VAR DISPL, CW 90PV100 90-R-100-HS-1-CD-60-S-4-F1-E-03-GBA-37-37-22 SERIES 90 S90-100PV
11101437 PUMP-VAR DISPL, CW 90PV100 90-R-100-HS-1-CD-60-S-4-S1-F-03-GBA-37-37-30 SERIES 90 S90-100PV
11101504 PUMP-VAR DISPL, CW 90PV075 90-R-075-DD-1-AB-60-P-4-C6-D-GB-GBA-21-21-24 SERIES 90 S90-075PV
11101798 PUMP-VAR-DISPL CW 20PV089 SPV2/089--R6Z-PS183-515-B1 SERIES 20 S20-089PV
11101902 PUMP-VAR-DISPL CW 20PV070 SPV2/070--R6Z-PS183-516-B1 SERIES 20 S20-070PV
11102574 PUMP-VAR DISPL, CW 90PV075 90-R-075-MA-1-NN-60-S-4-S1-D-00-GBA-35-35-24 SERIES 90 S90-075PV
11102630 PUMP-VAR DISPL, CCW 90PV100 90-L-100-KA-5-NN-60-S-4-C7-F-03-FAC-32-32-24 SERIES 90 S90-100PV
11102837 PUMP-VAR DISPL, CW 90PV100 90-R-100-HF-1-BC-80-P-4-S1-E-03-GBA-42-42-24 SERIES 90 S90-100PV
11103870 PUMP-VAR DISPL, CCW 90PV075 90-L-075-KA-1-AB-60-P-4-C6-D-03-GBA-21-21-24 SERIES 90 S90-075PV
11104184 PUMP-VAR DISPL, CW 90PV130 90-R-130-KA-5-DE-80-R-4-F1-F-03-EEB-26-26-24 SERIES 90 S90-130PV
11104185 PUMP-VAR DISPL, CW 90PV130 90-R-130-KA-5-CD-80-R-4-F1-F-03-EEB-26-26-24 SERIES 90 S90-130PV
11104187 PUMP-VAR DISPL, CW 90PV250 90-R-250-KN-1-NN-80-T-3-F1-J-03-NNN-29-29-24 SERIES 90 S90-250PV11104484 MOTOR-FIX DISPL, CARTRIDGE 90-K-055-NC-0-N-8-N-0-S1-W-00-NNN-00-00-E6 SERIES 90 S90-055MF
11104632 MOTOR-FIX DISPL, CARTRIDGE 90-K-055-NC-0-N-8-N-0-S1-W-00-EHD-00-00-E6 SERIES 90 S90-055MF
11105180 PUMP-VAR DISPL, CW 90PV100 90-R-100-HF-1-AB-60-S-4-S1-F-01-GBA-23-23-28+ 111.20.136.00 SERIES 90 S90-100PV
11106340 PUMP-VAR DISPL, CCW 90PV100 90-L-100-MA-1-NN-80-S-3-F1-D-03-GBA-42-42-24 SERIES 90 S90-100PV
11106517 SCREW-SET, PER 9007713 M12x40 HP OTHER PARTS HP SHARED PARTS
11106585 PUMP-VAR-DISPL CW TMP089 TMP-089-MDCNNNN-R-M42-20G22-N-G-NCN-BDN TMM / TMP TMP089
11106587 PUMP-VAR-DISPL CW TMP089 TMP-089-MDCA24A-R-M42-20G22-N-G-NCN-BDN TMM / TMP TMP089
11106750 PUMP-VAR DISPL, MPV046 MPV-046-C-B-B-G-R-B-A-AA-A-A-BFF-BA-A-HH-C-NNN M46 M46-046PV
11106972 PUMP-VAR DISPL, MPV046 MPV-046-C-B-A-A-R-B-A-AA-A-A-BFF-AB-U-ED-C-NNN M46 M46-046PV
11107351 MOTOR-VAR DISPL, 51MV160 51V160-A-C8-N-ES-A5-K-Y-A6-ACA-080-AA-F0-70-00 SERIES 51 S51-160MV
11107476 PUMP-VAR DISPL, CW 90PV055 90-R-055-KA-1-NN-80-S-3-C6-D-03-GBA-35-35-24 SERIES 90 S90-055PV
11107689 PUMP-VAR DISPL, CW 90PV250 90-R-250-KN-1-NN-80-S-3-F1-J-03-NNN-29-29-28 SERIES 90 S90-250PV
11108102 MOTOR-FIXED DISPL, 90MF055 90-M-055-NC-0-N-8-N-0-K1-W-00-EBA-00-00-24 SERIES 90 S90-055MF
11108670 MOTOR-VAR DISPL, 51MV110 51V110-R-F1-N-HS-A2-A-E-E1-NNN-055-AA-NN-02-13 SERIES 51 S51-110MV-1
11108845 MOTOR-FIX DISPL, CARTRIDGE 90-K-055-NC-0-N-8-N-0-S1-W-00-NNN-00-00-G0 SERIES 90 S90-055MF
11110548 PUMP-VAR DISPL, CCW 90PV100 90-L-100-KA-1-BB-60-R-3-F1-F-03-GBA-42-42-30 SERIES 90 S90-100PV
11110856 PUMP-VAR DISPL, CCW 90PV130 90-L-130-KA-5-CD-80-R-4-F1-F-03-EEB-26-26-24 SERIES 90 S90-130PV
11110967 PUMP-VAR DISPL, CW 90PV075 90-R-075-MA-2-AB-80-S-3-C6-E-03-GBA-42-42-24 SERIES 90 S90-075PV
11111899 PUMP-VAR DISPL, CCW 90PV130 90-L-130-MA-5-NN-80-S-3-F1-H-03-GBA-42-42-24 SERIES 90 S90-130PV
11112514 PUMP-VAR DISPL, MPV046 MPV-046-C-B-A-H-T-B-A-AA-A-A-BJJ-AB-U-ED-A-NNN M46 M46-046PV
11114424 TMT 470 HYDRAULIC MOTOR LARGE MOTORS MOTOR TMT
11114962 PLATE-RETAINER, 90PV180-250 SERIES 90 PARTS - S90
11115317 COVER-PORT, ISO6162-2 DN32 METRIC SERIES 90 PARTS - S90
11115615 SCREW-HEX, ISO4014 M14x60 8.8 SERIES 90 PARTS - S90
11116039 PUMP-VAR DISPL, CCW 90PV130 90-L-130-KA-5-AB-80-L-4-F1-F-03-EEB-26-26-24 SERIES 90 S90-130PV
11117287 PUMP-VAR DISPL, MPV046 MPV-046-C-B-A-H-R-B-A-AA-A-A-BFF-AB-U-ED-A-NNN M46 M46-046PV
11118403 PUMP-VAR DISPL, CCW 90PV075 90-L-075-MA-2-NN-80-S-3-S1-E-03-GBA-42-42-24 SERIES 90 S90-075PV
11118570 MOTOR-FIX DISPL, CARTRIDGE 90-K-055-NC-0-N-8-N-0-S1-W-00-NNN-00-00-F3 SERIES 90 S90-055MF
11119379 PUMP-VAR DISPL, CW 90PV100 90-R-100-KA-1-NN-60-L-3-F1-F-03-GBA-30-30-24 SERIES 90 S90-100PV
11120637 PUMP-VAR DISPL, CCW 90PV055 90-L-055-HF-1-NN-80-S-4-S1-C-03-GBA-42-42-24 SERIES 90 S90-055PV
11120654 MOTOR-FIX DISPL, CARTRIDGE 90-K-055-NC-0-N-8-N-0-S1-N-00-JAG-00-00-00 SERIES 90 S90-055MF
11121205 PUMP-VAR-DISPL CW TMP089 TMP-089-MDCA24A-R-M42-20G22-N-C-NCN-BDN TMM / TMP TMP089
11121460 PUMP-VAR DISPL, CW 90PV130 90-R-130-KA-5-NN-80-R-3-F1-H-00-GBA-23-29-24 SERIES 90 S90-130PV
11121822 MOTOR-FIX DISPL, CARTRIDGE 90-K-055-NC-0-N-7-N-0-S1-W-00-NNN-00-00-F0 SERIES 90 S90-055MF
11122573 PUMP-VAR DISPL, CCW 90PV075 90-L-075-KA-5-NN-60-L-3-C6-E-03-FAD-38-38-24 SERIES 90 S90-075PV
11122780 ENDCAP-TMP-NFPE-R-W/EXPANDER TMM / TMP PARTS - TMM/TMP11122806 PVG32 5BK MAN LS CC PVP EEEEE O&CSP PVG32 5BK MAN LS CC PVP EEEEE-O&CSP 159S6682 PVG32/120 PVG 32 Valve Stack
1400731 PUMP-TANDEM, VAR DISPL CW H1T045R H1-T-045-R-A-N-A2-C3-N-D1-F-G8-H8-38-38-38-38-N-P-24-PN-NNN-NNN H1-MP PUMPS H1-045PT/053PT
1400732 PUMP-TANDEM, VAR DISPL CW H1T045R H1-T-045-R-A-N-A2-C3-N-D1-F-G8-H8-30-30-30-30-N-P-24-PN-NNN-NNN H1-MP PUMPS H1-045PT/053PT
1400733 PUMP-TANDEM, VAR DISPL CW H1T045R H1-T-045-R-A-N-A2-C3-N-D1-F-G8-H8-35-35-35-35-N-P-24-PN-NNN-NNN H1-MP PUMPS H1-045PT/053PT
1400734 PUMP-TANDEM, VAR DISPL CW H1T045R H1-T-045-R-A-N-A2-C3-B-D1-F-G5-H3-30-30-18-18-N-P-20-PN-NNN-NNN H1-MP PUMPS H1-045PT/053PT
1400736 PUMP-TANDEM, VAR DISPL CW H1T045R H1-T-045-R-A-N-A2-C3-N-E7-F-G5-H1-25-25-25-25-N-P-22-PN-NNN-NNN H1-MP PUMPS H1-045PT/053PT
1400737 PUMP-TANDEM, VAR DISPL CW H1T045R H1-T-045-R-A-N-A2-C3-N-D1-F-G5-H1-25-25-25-25-N-P-22-PN-NNN-NNN H1-MP PUMPS H1-045PT/053PT
1400740 PUMP-TANDEM, VAR DISPL CW H1T045R H1-T-045-R-A-N-A2-C3-N-D1-F-G5-H3-35-35-35-35-N-P-28-PN-NNN-NNN H1-MP PUMPS H1-045PT/053PT
1400741 PUMP-TANDEM, VAR DISPL CW H1T045R H1-T-045-R-A-N-A2-C3-N-D1-F-G5-H3-35-35-35-35-N-P-28-PN-NNN-NNN H1-MP PUMPS H1-045PT/053PT
1401230 PUMP-TANDEM, VAR DISPL CCW H1T045L H1-T-045-L-A-N-B6-C1-B-E7-F-G5-NN-25-25-40-40-N-P-20-PN-NNN-NNN H1-MP PUMPS H1-045PT/053PT
1401232 PUMP-TANDEM, VAR DISPL CCW H1T045L H1-T-045-L-A-N-A2-C3-N-E7-F-G5-H2-35-35-35-35-N-P-28-PN-NNN-NNN H1-MP PUMPS H1-045PT/053PT
1401233 PUMP-TANDEM, VAR DISPL CCW H1T045L H1-T-045-L-A-N-A5-C3-N-E7-F-G1-H5-40-40-40-40-N-P-24-PN-NNN-NNN H1-MP PUMPS H1-045PT/053PT
1401234 PUMP-TANDEM, VAR DISPL CCW H1T045L H1-T-045-L-A-N-A2-C3-N-D1-F-G5-H2-40-40-40-40-N-P-20-PN-NNN-NNN H1-MP PUMPS H1-045PT/053PT
1401235 PUMP-TANDEM, VAR DISPL CCW H1T045L H1-T-045-L-A-N-A3-C2-N-E7-F-G5-H3-25-25-25-25-N-P-20-PN-NNN-NNN H1-MP PUMPS H1-045PT/053PT
1401731 PUMP-TANDEM, VAR DISPL CW H1T053R H1-T-053-R-A-N-A2-C3-N-D1-F-G7-H8-38-38-38-38-N-P-24-PN-NNN-NNN H1-MP PUMPS H1-045PT/053PT
1401732 PUMP-TANDEM, VAR DISPL CW H1T053R H1-T-053-R-A-N-A2-C3-N-E7-F-G5-H2-28-28-28-28-N-P-20-PN-NNN-NNN H1-MP PUMPS H1-045PT/053PT
1401733 PUMP-TANDEM, VAR DISPL CW H1T053R H1-T-053-R-A-N-A2-C3-N-D1-F-G5-H3-35-35-35-35-N-P-24-PN-NNN-NNN H1-MP PUMPS H1-045PT/053PT
1401734 PUMP-TANDEM, VAR DISPL CW H1T053R H1-T-053-R-A-N-A2-C3-N-E7-F-G5-NN-30-30-30-30-N-P-20-PN-C03-NNN H1-MP PUMPS H1-045PT/053PT
1401735 PUMP-TANDEM, VAR DISPL CW H1T053R H1-T-053-R-A-N-A2-C3-N-D1-F-G8-H8-38-38-38-38-N-P-24-PN-NNN-NNN H1-MP PUMPS H1-045PT/053PT
1401736 PUMP-TANDEM, VAR DISPL CW H1T053R H1-T-053-R-A-N-A2-C3-N-E7-F-G1-H3-35-35-35-35-N-P-20-PN-NNN-NNN H1-MP PUMPS H1-045PT/053PT
1401740 PUMP-TANDEM, VAR DISPL CW H1T053R H1-T-053-R-A-N-A4-C2-N-E7-F-G5-H3-23-23-23-23-N-P-22-PN-NNN-NNN H1-MP PUMPS H1-045PT/053PT
4007039 NFPE-12V, AMP CONN, INT, 42P (DG2A1) SERIES 42 PARTS - S42
4007200 CHG PMP-11CC, CW, 42P41/51 (G0002) SERIES 42 PARTS - S42
412-000003 PUMP CLOSED LOOP 42-R-41-D-G3AN-53-P-3-G-2-F-1-A-21-21-B-1-1-NNN-NNN SERIES 42 S42-041PV/051PV
140925 PUMP-VAR-DISPL CW H1PV078 H1-P-078-R-A-A2-C2-N-D3-H-G1-H2-L-42-L-42-C-M-28-PN-NNN-NNN H1-HP PUMPS H1-069PV/078PV
141323 CONTROL-EDC 24V, DTSCH CONN, 052SP(D0A3) H1-MP PUMPS PARTS - H1-MP PUMPS and MOTORS
141399 CONTROL-NFPE 12V DTSC CONN (D0A8) H1-MP PUMPS PARTS - H1-MP PUMPS and MOTORS
141583 AUX MTG A FLANGE, 9T W/SHPNG COV (K0H2) H1-MP PUMPS PARTS - H1-MP PUMPS and MOTORS
141585 AUX MTG B FLANGE, 15T W/SHPNG COV (K0H5) H1-MP PUMPS PARTS - H1-MP PUMPS and MOTORS
141911 SPRING-HELICAL-COMP 5.60x45.60x74.40 LIGHT DUTY
4280087 SCREW-SOC HD, M10 X1 - 92.9 NFP SPCL SERIES 42 PARTS - S42 4280271 CHG PMP-11CC, CCW, 42P28 (G0002) SERIES 42 PARTS - S42
4281722 PUMP-VAR-DISPL, CW, S42PV028, NFPH 42-R-28-D-G3AN-52-P-2-C-2-H-1-B-38-38-N-8-8-NNN-NNN SERIES 42 S42-028PV/032PV
4281723 PUMP-VAR-DISPL, CW, S42PV028, NFPH 42-R-28-C-G3AN-52-P-2-C-2-H-1-B-38-38-N-8-8-NNN-NNN SERIES 42 S42-028PV/032PV
4281728 PUMP-VAR DISPL, CW 42-R-28-D-E1B6-03-C-2-A-2-F-N-A-25-25-B-N-N-NNN-NNN SERIES 42 S42-028PV/032PV
4281729 PUMP-VAR-DISPL, CW, S42PV028, MDC 42-R-28-C-ANN3-03-C-3-A-2-F-N-N-25-25-N-N-N-NNN-NNN SERIES 42 S42-028PV/032PV
4281736 PUMP-VAR-DISPL, CW, S42PV028, MDC 42-R-28-D-ANNA-10-C-3-A-3-E-N-N-38-38-B-N-N-NNN-NGJ SERIES 42 S42-028PV/032PV
4281737 PUMP-VAR-DISPL, CW, S42PV028, MDC 42-R-28-D-ANN3-03-C-2-A-3-F-N-B-34-34-B-N-N-NNN-NNN SERIES 42 S42-028PV/032PV
4281739 PUMP-VAR-DISPL, CW, S42PV028, MDC 42-R-28-D-LNN3-07-C-3-A-2-F-N-A-34-34-B-N-N-NNN-NNN SERIES 42 S42-028PV/032PV
4281750 PUMP-VAR-DISPL, CW, S42PV028, MDC 42-R-28-C-ANNB-02-C-2-A-2-E-N-N-25-25-N-N-N-NNN-NNN SERIES 42 S42-028PV/032PV
4281751 PUMP-VAR-DISPL, CW, S42PV028, MDC 42-R-28-D-LNN3-11-C-3-A-2-F-N-A-34-34-B-N-N-NNN-NNN SERIES 42 S42-028PV/032PV
4281766 PUMP-VAR-DISPL, CW, S42PV028, MDC 42-R-28-D-ANNA-10-B-3-B-3-E-N-N-38-38-B-N-N-NNN-NGJ SERIES 42 S42-028PV/032PV
4281767 PUMP-VAR-DISPL, CW, S42PV028, MDC 42-R-28-C-A3NB-03-A-N-N-N-F-N-A-19-19-N-N-N-NNN-NNN SERIES 42 S42-028PV/032PV
4281777 PUMP-VAR-DISPL, CW, S42PV028, FNR 42-R-28-D-F6NN-52-U-D-G-2-F-N-A-34-34-N-N-N-NNN-NNN SERIES 42 S42-028PV/032PV
4281781 PUMP-VAR-DISPL, CW, S42PV028, FNR 42-R-28-D-F6NN-52-U-5-G-2-C-N-A-34-34-B-N-N-NNN-NNN SERIES 42 S42-028PV/032PV
4281782 PUMP-VAR-DISPL, CW, S42PV028, FNR 42-R-28-D-F8NN-53-U-3-X-A-F-5-Z-34-34-N-1-1-NNN-NNN SERIES 42 S42-028PV/032PV
4281786 PUMP-VAR-DISPL, CW, S42PV028, FNR 42-R-28-C-F6NN-53-U-2-X-N-P-1-A-25-25-N-8-8-NNN-NNN SERIES 42 S42-028PV/032PV
4281787 PUMP-VAR-DISPL, CW, S42PV028, NFPE 42-R-2A-D-G2A1-52-U-2-G-2-F-5-A-34-34-B-0-0-AAA-NNN SERIES 42 S42-028PV/032PV
4281788 PUMP-VAR-DISPL, CW, S42PV028, NFPE 42-R-2A-D-G2A1-52-U-2-G-2-F-5-A-41-41-B-0-0-AAA-NNN SERIES 42 S42-028PV/032PV
4281792 PUMP-VAR-DISPL CW 42PV028 42-R-28-D-G3AN-52-P-3-G-2-F-1-B-19-19-B-1-1-NNN-NNN SERIES 42 S42-028PV/032PV
4281793 PUMP-VAR-DISPL, CW, S42PV028, NFPH 42-R-28-D-G3AN-52-P-3-G-2-F-1-B-23-23-B-1-1-NNN-NNN SERIES 42 S42-028PV/032PV
4281794 PUMP-VAR-DISPL, CW, S42PV028, NFPH 42-R-28-C-G3AN-52-P-3-G-2-F-1-A-23-23-B-1-1-NNN-NNN SERIES 42 S42-028PV/032PV
4281796 PUMP-VAR-DISPL, CW, S42PV028, NFPE 42-R-28-D-G2A2-53-V-N-F-2-H-2-T-28-28-N-T-T-NNN-NNN SERIES 42 S42-028PV/032PV
4281798 PUMP-VAR-DISPL CW 42PV028 42-R-28-D-LNN3-11-C-3-A-2-F-N-A-28-28-B-N-N-NNN-NNN SERIES 42 S42-028PV/032PV
4281800 PUMP-VAR-DISPL, CW, S42PV028, NFPE 42-R-28-D-G2A1-53-V-N-Q-2-F-2-A-25-25-N-T-T-NNN-NNN SERIES 42 S42-028PV/032PV
4281806 PUMP-VAR-DISPL CW 42PV028 42-R-28-D-ANNB-02-C-5-A-2-C-N-A-28-28-N-N-N-NNN-NNN SERIES 42 S42-028PV/032PV
4281813 PUMP-VAR-DISPL CW 42PV028 42-R-28-D-ANNB-03-C-5-A-2-C-N-A-34-34-N-N-N-NNN-NNN SERIES 42 S42-028PV/032PV
4281819 PUMP-VAR-DISPL CW 42PV028 42-R-28-C-G3AN-52-P-3-G-2-F-1-A-21-21-B-0-0-NNN-NNN SERIES 42 S42-028PV/032PV
4281820 PUMP-VAR-DISPL, CW, S42PV028, NFPH 42-R-28-C-G3AN-50-P-2-B-2-H-1-B-30-30-N-0-0-NNN-NNN SERIES 42 S42-028PV/032PV
4281821 PUMP-VAR-DISPL, CW, S42PV028, NFPH 42-R-28-D-G3AN-50-P-2-B-2-H-1-B-30-30-N-0-0-NNN-NNN SERIES 42 S42-028PV/032PV
4281822 PUMP-VAR-DISPL, CW, S42PV028, MDC 42-R-28-D-ANNB-02-C-2-A-2-E-N-N-34-34-N-N-N-NNN-NNN SERIES 42 S42-028PV/032PV
4281837 PUMP-VAR-DISPL, CW, S42PV028, NFPH 42-R-28-C-G3AN-52-P-3-C-2-F-1-T-34-34-N-1-1-NNN-NNN SERIES 42 S42-028PV/032PV
4281838 PUMP-VAR-DISPL, CW, S42PV028, NFPH 42-R-28-D-G3AN-52-P-3-C-2-F-1-B-34-34-N-1-1-NNN-NNN SERIES 42 S42-028PV/032PV
4282064 PUMP-VAR-DISPL CCW 42PV028 42-L-28-D-E1A6-02-B-3-G-2-H-N-B-25-25-N-N-N-NNN-NNN SERIES 42 S42-028PV/032PV
4282073 PUMP-VAR-DISPL CCW 42PV028 42-L-28-D-E1A6-02-B-5-X-N-C-N-A-21-21-B-A-A-NNN-NNN SERIES 42 S42-028PV/032PV
4282088 PUMP-VAR-DISPL CCW 42PV028 42-L-28-D-ANN3-02-A-N-A-2-C-N-A-34-34-N-N-N-NNN-NNN SERIES 42 S42-028PV/032PV
4282123 PUMP-VAR-DISPL CCW 42PV028 42-L-28-D-E1A6-03-C-2-A-2-F-N-B-25-25-B-N-N-NNN-NNN SERIES 42 S42-028PV/032PV4282124 PUMP-VAR-DISPL CCW 42PV028 42-L-28-C-E1A6-03-C-2-A-2-F-N-N-25-25-B-N-N-NNN-NNN SERIES 42 S42-028PV/032PV
4282147 PUMP-VAR-DISPL CCW 42PV028 42-L-28-C-E1A6-02-A-N-A-2-F-N-N-34-34-N-N-N-NNN-NNN SERIES 42 S42-028PV/032PV
4282162 PUMP-VAR-DISPL CCW 42PV028 42-L-28-D-NDNN-NN-B-D-G-2-C-N-N-00-00-B-N-N-NNN-BNN SERIES 42 S42-028PV/032PV
4282166 PUMP-VAR-DISPL, CW, S42PV028, MDC 42-L-28-C-ANNB-03-C-3-A-2-F-N-A-34-34-N-A-A-NNN-NNN SERIES 42 S42-028PV/032PV
4282172 PUMP-VAR-DISPL, CCW, S42PV028, MD 42-L-28-C-ANNB-03-A-N-A-2-F-N-B-34-34-N-A-A-NNN-NNN SERIES 42 S42-028PV/032PV
4282201 PUMP-VAR-DISPL CCW 42PV028 42-L-28-D-E1A6-02-C-4-A-2-D-N-N-28-28-N-N-N-NNN-NNN SERIES 42 S42-028PV/032PV
4282238 PUMP-VAR-DISPL, CCW, S42PV028, NFPE 42-L-28-C-G2A1-53-V-N-F-2-G-5-N-28-28-N-1-1-NNN-NNN SERIES 42 S42-028PV/032PV
4282252 PUMP-VAR-DISPL CCW 42PV028 42-L-28-D-LNN3-11-C-3-A-2-F-N-B-34-34-B-N-N-NNN-NNN SERIES 42 S42-028PV/032PV
4282253 PUMP-VAR-DISPL CCW 42PV028 42-L-28-D-LNN3-11-C-3-A-2-F-N-A-34-34-B-N-N-NNN-NNN SERIES 42 S42-028PV/032PV
4282287 PUMP-VAR-DISPL, CCW, S42PV028, NFPE 42-L-28-C-G2A1-50-U-2-B-3-F-5-B-38-38-N-1-1-NNN-NNN SERIES 42 S42-028PV/032PV
4282518 PUMP-VAR-DISPL CW 42PV028 42-R-28-D-ANNB-02-B-5-X-A-C-N-Z-41-41-N-N-N-NNN-NNN SERIES 42 S42-028PV/032PV
4282519 PUMP-VAR-DISPL CW 42PV028 42-R-28-C-E1A6-02-B-5-X-N-C-N-B-41-41-N-N-N-NNN-NNN SERIES 42 S42-028PV/032PV
4282521 PUMP-VAR-DISPL CW 42PV028 42-R-28-C-E1A6-03-A-N-N-N-C-N-B-41-41-N-N-N-NNN-NNN SERIES 42 S42-028PV/032PV
4282526 PUMP-VAR-DISPL CW 42PV028 42-R-28-D-ANN3-02-A-N-A-2-C-N-A-34-34-N-N-N-NNN-NNN SERIES 42 S42-028PV/032PV
4282527 PUMP-VAR-DISPL CW 42PV028 42-R-28-D-ANN3-02-B-3-G-2-C-N-A-34-34-N-N-N-NNN-NNN SERIES 42 S42-028PV/032PV
4282528 PUMP-VAR-DISPL CW 42PV028 42-R-28-D-ANN3-02-A-N-A-2-C-N-B-21-21-N-A-A-NNN-NNN SERIES 42 S42-028PV/032PV
4282529 PUMP-VAR-DISPL CW 42PV028 42-R-28-C-ANN3-02-A-N-N-N-C-N-A-21-21-N-A-A-NNN-NNN SERIES 42 S42-028PV/032PV
4282531 PUMP-VAR-DISPL CW 42PV028 42-R-28-D-ANN3-02-B-3-G-2-C-N-N-28-28-N-N-N-NNN-NNN SERIES 42 S42-028PV/032PV
4282535 PUMP-VAR-DISPL CW 42PV028 42-R-28-D-E1A6-02-B-3-G-2-H-N-B-25-25-N-N-N-NNN-NNN SERIES 42 S42-028PV/032PV
4282536 PUMP-VAR-DISPL CW 42PV028 42-R-28-D-E1A6-02-B-5-G-2-C-N-N-28-28-N-A-A-NNN-NNN SERIES 42 S42-028PV/032PV
4282543 PUMP-VAR-DISPL CW 42PV028 42-R-28-C-G3AN-52-P-3-G-2-F-1-A-28-28-B-1-1-NNN-NNN SERIES 42 S42-028PV/032PV
4282544 PUMP-VAR-DISPL CW 42PV028 42-R-28-C-G3AN-52-T-N-M-N-F-1-A-28-28-B-1-1-NNN-NNN SERIES 42 S42-028PV/032PV
4282545 PUMP-VAR-DISPL CW 42PV028 42-R-28-D-G3AN-52-P-3-G-2-F-1-B-28-28-B-1-1-NNN-NNN SERIES 42 S42-028PV/032PV
4282553 PUMP-VAR-DISPL CW 42PV028 42-R-28-C-NDNN-NN-B-D-G-2-C-N-N-00-00-B-N-N-NNN-CNN SERIES 42 S42-028PV/032PV
4282556 PUMP-VAR-DISPL CW 42PV028 42-R-28-C-LNN3-03-C-2-N-N-F-N-A-38-38-N-N-N-NNN-NNN SERIES 42 S42-028PV/032PV
4282565 PUMP-VAR-DISPL CW 42PV028 42-R-28-D-LNN3-05-B-3-G-2-F-N-A-34-34-N-N-N-NNN-NNN SERIES 42 S42-028PV/032PV
4282566 PUMP-VAR-DISPL CW 42PV028 42-R-28-D-ANNB-02-B-5-G-2-C-N-A-34-34-N-N-N-NNN-NNN SERIES 42 S42-028PV/032PV
4282637 PUMP-VAR-DISPL CW 42PV028 42-R-28-D-ANNB-03-A-N-A-2-F-N-A-34-34-N-N-N-NNN-NNN SERIES 42 S42-028PV/032PV
4282639 PUMP-VAR-DISPL CW 42PV028 42-R-28-D-G3AN-52-P-3-G-2-F-1-B-34-34-N-1-1-NNN-NNN SERIES 42 S42-028PV/032PV
4282640 PUMP-VAR-DISPL CW 42PV028 42-R-28-C-G3AN-52-P-3-G-2-F-1-A-34-34-N-1-1-NNN-NNN SERIES 42 S42-028PV/032PV
4282641 PUMP-VAR-DISPL CW 42PV028 42-R-28-D-LNNA-03-C-2-N-A-F-N-Z-34-34-N-N-N-NNN-NNN SERIES 42 S42-028PV/032PV
4282645 PUMP-VAR-DISPL CW 42PV028 42-R-28-D-E1A6-03-C-2-A-2-F-N-A-34-34-B-N-N-NNN-NNN SERIES 42 S42-028PV/032PV
4282650 PUMP-VAR-DISPL CW 42PV028 42-R-28-D-LNBA-03-C-2-N-N-F-N-A-34-34-B-N-N-NNN-NNN SERIES 42 S42-028PV/032PV
4282669 PUMP-VAR-DISPL CW 42PV028 42-R-28-D-E1A6-02-A-N-N-N-F-N-A-25-25-B-N-N-NNN-NNN SERIES 42 S42-028PV/032PV
4282670 PUMP-VAR-DISPL CW 42PV028 42-R-28-D-LNBA-03-A-N-A-2-F-N-N-38-38-N-N-N-NNN-NNN SERIES 42 S42-028PV/032PV
4282671 PUMP-VAR-DISPL, CW, S42PV028, NFPH 42-R-28-G-G3AN-53-P-D-G-2-F-1-A-21-21-B-0-0-NNN-NNN SERIES 42 S42-028PV/032PV4282675 PUMP-VAR-DISPL, CW, S42PV028, MDC 42-R-28-C-LNBA-07-B-D-B-2-F-N-N-41-41-B-N-N-NNN-NNN SERIES 42 S42-028PV/032PV
4282685 PUMP-VAR-DISPL, CW, S42PV028, MDC 42-R-28-C-LNBA-07-B-D-B-2-F-N-A-41-41-B-N-N-NNN-BNN SERIES 42 S42-028PV/032PV
4282686 PUMP-VAR-DISPL CW 42PV028 42-R-28-D-E1A6-03-B-2-B-2-F-N-A-34-34-B-N-N-NNN-NNN SERIES 42 S42-028PV/032PV
4282692 PUMP-VAR-DISPL CW 42PV028 42-R-28-C-G3AN-52-P-3-B-2-F-1-A-34-34-B-0-0-NNN-NNN SERIES 42 S42-028PV/032PV
4282731 PUMP-VAR-DISPL CW 42PV028 42-R-28-D-E1A6-02-A-N-N-A-P-N-Z-NN-NN-N-N-N-BAA-NNN SERIES 42 S42-028PV/032PV
4282735 PUMP-VAR-DISPL CW 42PV028 42-R-28-D-NDNN-NN-B-D-G-2-C-N-N-00-00-B-N-N-NNN-CNN SERIES 42 S42-028PV/032PV
4282739 PUMP-VAR-DISPL CW 42PV028 42-R-28-D-E1A6-02-B-4-B-2-C-N-T-34-34-B-N-N-NNN-NNN SERIES 42 S42-028PV/032PV
4282741 PUMP-VAR-DISPL, CW, S42PV028, FNR 42-R-28-D-F8NN-53-U-3-X-A-F-5-Z-34-34-N-1-1-NNN-NNN SERIES 42 S42-028PV/032PV
4282743 PUMP-VAR-DISPL CW 42PV028 42-R-28-D-LNN3-05-B-3-G-2-F-N-A-34-34-B-N-N-NNN-NNN SERIES 42 S42-028PV/032PV
4282747 PUMP-VAR-DISPL CW 42PV028 42-R-28-C-L2B3-10-C-3-A-2-F-N-A-34-34-B-N-N-NNN-NNN SERIES 42 S42-028PV/032PV
4282751 PUMP-VAR-DISPL CW 42PV028 42-R-28-D-L3A3-10-C-3-A-2-F-N-A-38-38-B-N-N-NNN-NNN SERIES 42 S42-028PV/032PV
4282752 PUMP-VAR-DISPL CW 42PV028 42-R-28-D-G3AN-52-K-N-M-N-F-5-A-34-34-N-1-1-NNN-BNN SERIES 42 S42-028PV/032PV
4282753 PUMP-VAR-DISPL, CW, S42PV028, FNR 42-R-28-C-F7NN-53-U-D-G-2-C-N-N-NN-NN-N-A-A-NNN-NNN SERIES 42 S42-028PV/032PV
4282755 PUMP-VAR-DISPL, CW, S42PV028, MDC 42-R-28-D-ANNA-10-C-3-A-2-F-N-N-34-34-B-N-N-NNN-NNN SERIES 42 S42-028PV/032PV
4282778 PUMP-VAR-DISPL CW 42PV028 42-R-28-C-ANNB-02-C-4-A-2-D-N-N-34-34-N-N-N-NNN-NNN SERIES 42 S42-028PV/032PV
4282783 PUMP-VAR-DISPL, CW, S42PV028, MDC 42-R-28-C-ANNB-02-A-N-A-2-F-N-A-25-25-N-N-N-NNN-NNN SERIES 42 S42-028PV/032PV
4282786 PUMP-VAR-DISPL, CW, S42PV028, NFPE 42-R-28-D-G2A1-53-V-N-F-2-F-5-A-25-25-N-0-0-NNN-NNN SERIES 42 S42-028PV/032PV
4282791 PUMP-VAR-DISPL CW 42PV028 42-R-28-C-G3AN-53-P-3-G-2-F-1-A-21-21-B-0-0-NNN-NNN SERIES 42 S42-028PV/032PV
4282811 PUMP-VAR-DISPL, CW, S42PV028, FNR/NFPE 42-R-28-C-MDNN-53-U-3-G-2-F-N-N-28-28-N-A-A-NNN-CNN SERIES 42 S42-028PV/032PV
4282820 PUMP-VAR-DISPL CW 42PV028 42-R-28-D-LNBA-03-C-2-A-2-F-N-A-34-34-B-N-N-NNN-NNN SERIES 42 S42-028PV/032PV
4282829 PUMP-VAR-DISPL CW 42PV028 42-R-28-D-L2B8-11-C-3-A-2-F-N-N-25-25-B-N-N-NNN-NNN SERIES 42 S42-028PV/032PV
4282833 PUMP-VAR-DISPL, CW, S42PV028, MDC 42-R-28-C-ANN3-03-C-5-A-2-C-N-A-21-21-B-N-N-NNN-NNN SERIES 42 S42-028PV/032PV
4282837 PUMP-VAR-DISPL, CW, S42PV028, MDC 42-R-28-C-ANN3-03-A-N-A-2-C-N-N-23-23-N-N-N-NNN-NNN SERIES 42 S42-028PV/032PV
4282849 PUMP-VAR DISPL, CW, S42PV028 42-R-28-D-A1NB-03-B-D-C-2-H-N-V-34-34-N-A-A-NNN-NNN SERIES 42 S42-028PV/032PV
4282851 PUMP-VAR-DISPL CW 42PV028 42-R-28-D-G1A1-72-J-2-G-2-F-5-A-41-41-B-0-0-AAA-NNN SERIES 42 S42-028PV/032PV
4282860 PUMP-VAR-DISPL CW 42PV028 42-R-28-D-L3A3-10-C-2-A-3-F-N-B-38-38-B-N-N-NNN-NNN SERIES 42 S42-028PV/032PV
4282865 PUMP-VAR-DISPL CW 42PV028 42-R-28-C-ANN3-03-C-2-A-2-F-N-A-30-30-N-N-N-NNN-NNN SERIES 42 S42-028PV/032PV
4282867 PUMP-VAR-DISPL, CW, S42PV028, FNR 42-R-28-C-F6NN-53-U-2-X-N-P-1-A-25-25-N-8-8-NNN-NNN SERIES 42 S42-028PV/032PV
4282869 PUMP-VAR-DISPL, CW, S42PV028, NFPE 42-R-28-D-G2A1-53-V-N-F-2-H-2-A-34-34-N-T-T-NNN-NNN SERIES 42 S42-028PV/032PV
4282870 PUMP-VAR-DISPL, CW, S42PV028, MDC 42-R-28-D-ANN3-07-A-N-A-2-D-N-A-28-28-B-N-N-NNN-NNN SERIES 42 S42-028PV/032PV
4282877 PUMP-VAR-DISPL CW 42PV028 42-R-28-C-G3AN-52-T-N-M-N-F-1-A-21-21-N-0-0-NNN-NNN SERIES 42 S42-028PV/032PV
4282880 PUMP-VAR-DISPL CW 42PV028 42-R-28-G-ANN3-02-C-5-A-2-C-N-B-14-14-N-N-N-NNN-NNN SERIES 42 S42-028PV/032PV
4282881 PUMP-VAR-DISPL CW 42PV028 42-R-28-C-ANN3-02-C-5-A-2-C-N-N-14-14-N-N-N-NNN-NNN SERIES 42 S42-028PV/032PV
4282887 PUMP-VAR-DISPL CW 42PV028 42-R-28-D-E1A6-03-B-D-G-2-C-N-A-34-34-N-N-N-NNN-NNN SERIES 42 S42-028PV/032PV
4282889 PUMP-VAR-DISPL, CW, S42PV028, MDC 42-R-28-D-A1N5-03-A-N-A-2-F-N-B-34-34-B-H-H-NNN-NNN SERIES 42 S42-028PV/032PV
4282890 PUMP-VAR-DISPL, CW, S42PV028, MDC 42-R-28-C-A1N5-03-A-N-A-2-F-N-A-34-34-B-H-H-NNN-NNN SERIES 42 S42-028PV/032PV4282895 PUMP-VAR-DISPL CW 42PV028 42-R-28-C-G3AN-52-T-N-M-N-F-1-A-21-21-B-0-0-NNN-NNN SERIES 42 S42-028PV/032PV
4286201 DISPL LMTR-SIDE 1, FULL, 42P(L000A) SERIES 42 PARTS - S42
4286251 DISPL LMTR-SIDE 2, FULL, 42P(M000A) SERIES 42 PARTS - S42
4412030 PUMP-VAR-DISPL, CCW, S42PV041, XDC 42-L-41-D-NDNN-NN-B-D-G-2-C-N-N-00-00-B-N-N-NNN-CNN SERIES 42 S42-041PV/051PV
4412087 PUMP-VAR-DISPL, CCW, S42PV041, MDC 42-L-41-D-ANAB-03-A-N-A-3-F-N-B-NN-NN-N-N-N-NNN-NNN SERIES 42 S42-041PV/051PV
4412088 PUMP-VAR-DISPL, CCW, S42PV041, MDC 42-L-41-C-ANAB-03-A-N-A-3-F-N-N-NN-NN-N-N-N-NNN-NNN SERIES 42 S42-041PV/051PV
4412096 PUMP-VAR-DISPL, CCW, S42PV041, FNR 42-L-41-C-F4NN-73-J-D-C-2-F-N-N-34-34-N-A-A-NNN-NNN SERIES 42 S42-041PV/051PV
4412124 PUMP-VAR-DISPL, CCW, S42PV041, MDC 42-L-41-D-ANA3-03-B-2-C-2-F-N-N-28-14-N-N-N-NNN-NNN SERIES 42 S42-041PV/051PV
4412143 PUMP-VAR-DISPL, CCW, S42PV041, NFPE 42-L-41-D-G1A1-70-J-3-G-3-F-5-A-34-34-B-0-0-NNN-NNN SERIES 42 S42-041PV/051PV
4412151 PUMP-VAR-DISPL, CCW, S42PV041, NFPE 42-L-41-G-G1A1-70-J-3-G-3-F-5-A-34-34-B-0-0-NNN-NNN SERIES 42 S42-041PV/051PV
4412158 PUMP-VAR-DISPL, CCW, S42PV041, MDC 42-L-41-D-ANA3-11-B-3-B-3-F-N-N-28-28-N-N-N-NNN-NNN SERIES 42 S42-041PV/051PV
4412189 PUMP-VAR-DISPL 42PV041 CCW 42-L-41-E-ANNB-02-A-N-A-2-F-N-V-34-34-N-D-D-NNN-ENN SERIES 42 S42-041PV/051PV
4412190 PUMP-VAR-DISPL 42PV041 CCW 42-L-41-D-ANNB-02-A-N-A-2-F-N-N-34-34-N-D-D-NNN-ENN SERIES 42 S42-041PV/051PV
4412193 PUMP-VAR-DISPL, CCW, S42PV041, MDC 42-L-51-D-ANN5-03-B-2-B-2-F-N-N-34-34-N-N-N-NNN-NGJ SERIES 42 S42-041PV/051PV
4412197 PUMP-VAR-DISPL, CCW, S42PV041, FNR 42-L-41-C-F4NN-73-J-D-B-2-F-N-N-21-21-N-A-A-NNN-NNN SERIES 42 S42-041PV/051PV
4412199 PUMP-VAR-DISPL, CCW, S42PV041, FNR 42-L-51-E-F4NN-73-J-3-B-3-F-N-V-21-21-B-A-A-NNN-NNN SERIES 42 S42-041PV/051PV
4412204 PUMP-VAR-DISPL, CCW, S42PV041, FNR 42-L-41-E-F2NN-73-J-5-B-3-D-N-B-21-21-B-N-N-NNN-NNN SERIES 42 S42-041PV/051PV
4412206 PUMP-VAR-DISPL, CCW, S42PV041, FNR 42-L-41-C-F2NN-73-J-5-B-3-D-N-A-21-21-B-N-N-NNN-NNN SERIES 42 S42-041PV/051PV
4412540 PUMP-VAR-DISPL, CW, S42PV041, XDC 42-R-41-C-NDNN-NN-B-D-G-2-C-N-N-00-00-B-N-N-NNN-CNN SERIES 42 S42-041PV/051PV
4412546 PUMP-VAR DISPL, CW 42-R-41-C-ANNB-03-B-5-G-2-C-N-N-30-30-N-N-N-NNN-NNN SERIES 42 S42-041PV/051PV
4412558 PUMP-VAR-DISPL, CW, S42PV041, FNR 42-R-41-D-F2NN-72-J-5-G-2-C-N-A-28-28-N-N-N-NNN-NNN SERIES 42 S42-041PV/051PV
4412560 PUMP-VAR-DISPL CW 42PV041 42-R-41-D-G3AN-52-P-2-X-N-F-5-A-34-34-N-0-0-NNN-NNN SERIES 42 S42-041PV/051PV
4412563 PUMP-VAR-DISPL CW 42PV041 42-R-41-D-G1A1-76-M-N-A-2-G-5-N-38-38-B-0-0-NNN-NNN SERIES 42 S42-041PV/051PV
4412564 PUMP-VAR-DISPL, CW, S42PV041, NFPE 42-R-41-D-G1A1-76-M-N-A-2-G-5-N-30-30-B-0-0-NNN-NNN SERIES 42 S42-041PV/051PV
4412573 PUMP-VAR-DISPL, CW, S42PV041, XDC 42-R-41-D-NDNN-NN-B-D-G-2-C-N-N-00-00-B-N-N-NNN-CNN SERIES 42 S42-041PV/051PV
4412576 PUMP-VAR-DISPL, CW, S42PV041, FNR 42-R-41-D-F5NN-75-J-D-X-A-F-5-Z-34-34-N-1-1-NNN-NNN SERIES 42 S42-041PV/051PV
4412599 PUMP-VAR-DISPL, CW, S42PV041, NFPH 42-R-41-C-G3AN-50-P-3-G-2-F-1-A-28-28-B-1-1-NNN-NNN SERIES 42 S42-041PV/051PV4412600 PUMP-VAR-DISPL, CW, S42PV041, NFPH 42-R-41-D-G3AN-50-P-3-G-2-F-1-B-28-28-B-1-1-NNN-NNN SERIES 42 S42-041PV/051PV
4412602 PUMP-VAR-DISPL 42PV041 CW 42-R-41-D-G3AN-53-P-3-G-2-F-1-A-34-34-B-0-0-NNN-NNN SERIES 42 S42-041PV/051PV
4412605 PUMP-VAR-DISPL CW 42PV041 42-R-41-G-G3AN-50-P-D-G-2-H-5-A-41-41-N-0-0-NNN-NNN SERIES 42 S42-041PV/051PV
4412610 PUMP-VAR-DISPL, CW, S42PV041, MDC 42-R-41-C-ANNB-03-B-3-G-2-F-N-N-34-34-N-A-A-NNN-NNN SERIES 42 S42-041PV/051PV
4412637 PUMP-VAR-DISPL CW 42PV041 42-R-41-D-F5NN-74-J-D-B-2-P-1-V-34-34-N-8-8-NNN-BCB SERIES 42 S42-041PV/051PV
4412639 PUMP-VAR-DISPL, CW, S42PV041, FNR 42-R-41-C-F2NN-72-J-2-G-2-C-N-N-34-34-N-A-A-NNN-NNN SERIES 42 S42-041PV/051PV
4412661 PUMP-VAR-DISPL, CW, S42PV041, MDC 42-R-41-D-LNN3-03-B-5-G-2-C-N-B-21-21-B-N-N-NNN-NNN SERIES 42 S42-041PV/051PV
4412671 PUMP-VAR DISPL, CW 42-R-41-D-ANN3-03-B-2-G-3-F-N-B-34-34-B-N-N-NNN-NNN SERIES 42 S42-041PV/051PV
4412677 PUMP-VAR-DISPL, CW, S42PV041, NFPE 42-R-41-D-G1A1-72-J-D-C-3-H-1-A-25-25-N-0-0-NNN-NNN SERIES 42 S42-041PV/051PV
4412683 PUMP-VAR-DISPL, CW, S42PV041, MDC 42-R-51-K-ANN5-02-A-N-A-3-C-N-T-30-30-N-N-N-NNN-NNN SERIES 42 S42-041PV/051PV
4412685 PUMP-VAR-DISPL, CW, S42PV041, NFPE 42-R-4A-D-G1A1-72-J-2-G-2-F-5-A-41-41-B-0-0-AAA-NNN SERIES 42 S42-041PV/051PV
4412688 PUMP-VAR-DISPL CW 42PV041 42-R-41-D-F4NN-73-J-3-C-2-F-N-N-28-28-N-A-A-NNN-NNN SERIES 42 S42-041PV/051PV
4412701 PUMP-VAR-DISPL, CW, S42PV041, FNR 42-R-41-D-F2NN-72-J-D-G-2-F-N-B-30-30-N-C-C-NNN-NNN SERIES 42 S42-041PV/051PV
4412704 PUMP-VAR-DISPL, CW, S42PV041, NFPE 42-R-41-C-G1A1-72-J-D-B-3-H-1-B-34-34-B-0-0-NNN-NNN SERIES 42 S42-041PV/051PV
4412705 PUMP-VAR-DISPL, CW, S42PV041, NFPH 42-R-41-E-G3AN-52-P-3-B-3-H-1-V-34-34-N-0-0-NNN-NNN SERIES 42 S42-041PV/051PV
4412706 PUMP-VAR-DISPL, CW, S42PV041, NFPH 42-R-41-D-G3AN-52-P-2-B-3-H-1-B-34-34-N-0-0-NNN-NNN SERIES 42 S42-041PV/051PV
4412717 PUMP-VAR-DISPL, CW, S42PV041, NFPE 42-R-4A-D-G1A1-72-J-2-B-2-F-5-A-30-30-B-0-0-AAA-NNN SERIES 42 S42-041PV/051PV
4412724 PUMP-VAR-DISPL, CW, S42PV041, NFPH 42-R-41-C-G3AN-53-P-D-B-2-F-1-A-34-34-N-1-1-NNN-NNN SERIES 42 S42-041PV/051PV
4412725 PUMP-VAR-DISPL, CW, S42PV041, NFPH 42-R-41-C-G3AN-53-P-3-G-3-F-1-B-25-25-N-0-0-NNN-NNN SERIES 42 S42-041PV/051PV
4412731 PUMP-VAR-DISPL, CW, S42PV041, NFPE 42-R-41-C-G1A1-73-J-D-B-2-F-1-A-21-21-B-0-0-NNN-NNN SERIES 42 S42-041PV/051PV
4412747 PUMP-VAR-DISPL, CW, S42PV041, MDC 42-R-41-C-ANNB-03-A-N-A-2-F-N-N-34-34-N-A-A-NNN-NNN SERIES 42 S42-041PV/051PV
4412759 PUMP-VAR-DISPL, CW, S42PV041, FNR 42-R-41-D-F2NN-72-J-D-G-2-F-N-A-34-34-N-N-N-NNN-NNN SERIES 42 S42-041PV/051PV
4412760 PUMP-VAR-DISPL, CW, S42PV041, FNR 42-R-41-D-F2NN-72-J-D-G-2-F-N-N-38-38-N-N-N-NNN-NNN SERIES 42 S42-041PV/051PV
4412766 PUMP-VAR-DISPL, CW, S42PV041, MDC 42-R-41-D-ANNA-03-B-3-G-2-F-N-A-34-34-B-N-N-NNN-NNN SERIES 42 S42-041PV/051PV
4412767 PUMP-VAR-DISPL, CW, S42PV041, MDC 42-R-41-D-ANNB-02-C-D-A-2-E-N-B-30-30-N-N-N-NNN-NNN SERIES 42 S42-041PV/051PV
4412772 PUMP-VAR-DISPL, CW, S42PV041, FNR 42-R-41-D-F2NN-75-J-D-G-2-F-N-A-28-28-N-N-N-NNN-NNN SERIES 42 S42-041PV/051PV
4412773 PUMP-VAR-DISPL, CW, S42PV041, MDC 42-R-51-C-ANN5-02-D-N-F-3-D-N-N-32-32-N-N-N-NNN-ENN SERIES 42 S42-041PV/051PV
4412789 PUMP-VAR-DISPL, CW, S42PV041, NFPH 42-R-41-C-G3AN-52-P-3-G-2-F-1-A-34-34-B-1-1-NNN-NNN SERIES 42 S42-041PV/051PV
4412790 PUMP-VAR-DISPL, CW, S42PV041, FNR 42-R-51-D-F2NN-73-J-D-B-2-F-N-N-30-NN-N-N-N-NNN-NNN SERIES 42 S42-041PV/051PV
4412805 PUMP-VAR-DISPL, CW, S42PV041, NFPH 42-R-41-C-G3AN-50-P-3-G-2-F-1-A-34-34-B-1-1-NNN-NNN SERIES 42 S42-041PV/051PV
4412811 PUMP-VAR-DISPL, CW, S42PV041, NFPE 42-R-41-C-G1A1-73-J-3-B-3-F-5-B-38-38-B-0-0-NNN-NNN SERIES 42 S42-041PV/051PV
4412812 PUMP-VAR-DISPL, CW, S42PV041, NFPE 42-R-4A-C-G1A1-72-J-2-G-2-F-5-A-30-25-B-0-0-AAA-NNN SERIES 42 S42-041PV/051PV
4412816 PUMP-VAR-DISPL, CW, S42PV041, MDC 42-R-41-D-ANNB-03-A-N-A-2-C-N-N-NN-NN-N-N-N-NNN-NNN SERIES 42 S42-041PV/051PV
4412818 PUMP-VAR-DISPL, CW, S42PV041, MDC 42-R-41-K-ANK5-02-C-2-A-2-H-N-B-25-25-N-N-N-NNN-ENN SERIES 42 S42-041PV/051PV
4412822 PUMP-VAR-DISPL, CW, S42PV041, FNR 42-R-41-C-F4NN-73-J-D-B-2-F-N-N-34-34-N-A-A-NNN-NNN SERIES 42 S42-041PV/051PV
4412826 PUMP-VAR-DISPL, CW, S42PV041, NFPH 42-R-41-C-G3AN-50-P-3-B-2-H-1-B-38-38-B-1-1-NNN-NNN SERIES 42 S42-041PV/051PV4412827 PUMP-VAR-DISPL, CW, S42PV041, NFPH 42-R-41-D-G3AN-50-P-3-B-2-H-1-B-38-38-B-1-1-NNN-NNN SERIES 42 S42-041PV/051PV
4412829 PUMP-VAR-DISPL, CW, S42PV041, MDC 42-R-41-D-A1NB-02-B-2-X-N-G-N-V-34-34-B-N-N-NNN-NNN SERIES 42 S42-041PV/051PV
4412831 PUMP-VAR-DISPL, CW, S42PV041, MDC 42-R-51-K-ANN5-03-A-N-A-3-H-N-T-28-28-N-N-N-NNN-NNN SERIES 42 S42-041PV/051PV
4412833 PUMP-VAR-DISPL, CW, S42PV041, FNR 42-R-41-D-F2NN-72-J-3-X-A-G-N-Z-34-34-N-A-A-NNN-NNN SERIES 42 S42-041PV/051PV
4412839 PUMP-VAR-DISPL, CW, S42PV041, NFPH 42-R-41-D-G3AN-50-P-3-B-2-H-1-B-34-34-B-1-1-NNN-NNN SERIES 42 S42-041PV/051PV
4412840 PUMP-VAR-DISPL, CW, S42PV041, NFPH 42-R-41-C-G3AN-50-P-3-B-2-H-1-B-34-34-B-1-1-NNN-NNN SERIES 42 S42-041PV/051PV
4412841 PUMP-VAR-DISPL, CW, S42PV041, MDC 42-R-41-E-ANN3-03-B-3-G-3-F-N-N-34-34-N-N-N-NNN-NNN SERIES 42 S42-041PV/051PV
4412845 PUMP-VAR-DISPL, CW, S42PV041, FNR 42-R-41-D-F5NN-74-J-D-B-2-P-1-N-34-34-N-8-8-NNN-NNN SERIES 42 S42-041PV/051PV
4412846 PUMP-VAR-DISPL, CW, S42PV041, MDC 42-R-41-K-ANK5-01-C-2-A-3-H-N-B-21-21-N-N-N-NNN-NNN SERIES 42 S42-041PV/051PV
4416175 SHAFT-13T, 42P(C000C) SERIES 42 PARTS - S42
4416176 SHAFT-15T,42(C000D) SERIES 42 PARTS - S42
83013077 PUMP-VAR-DISPL 42PV028 CW 42-R-28-D-ANN5-02-B-D-B-2-H-N-B-34-34-B-N-N-NNN-NNN SERIES 42 S42-028PV/032PV
83013078 PUMP-VAR-DISPL 42PV028 CW 42-R-28-D-G3AN-52-P-D-B-2-H-1-B-34-34-B-0-0-NNN-NNN SERIES 42 S42-028PV/032PV
83013079 PUMP-VAR-DISPL 42PV028 CW 42-R-28-C-G3AN-52-P-D-B-2-H-1-A-34-34-B-0-0-NNN-NNN SERIES 42 S42-028PV/032PV
Hot Tags: sauer dandoss series 42 4t axial piston tandem pumps, China sauer dandoss series 42 4t axial piston tandem pumps manufacturers, suppliers, factory, piston pump for danfoss, DANFOSS 90R 90L Hydraulic Pump 90R100 90R130, D1 High Power Open Circuit Pumps, NACHI PVS Variable Volume Piston Pumps Hydraulic Pump, HAWE Hydraulic Radial Piston Pump R RG RZ, Daikin Piston Pump V15 V23 V38 V50 VZ









