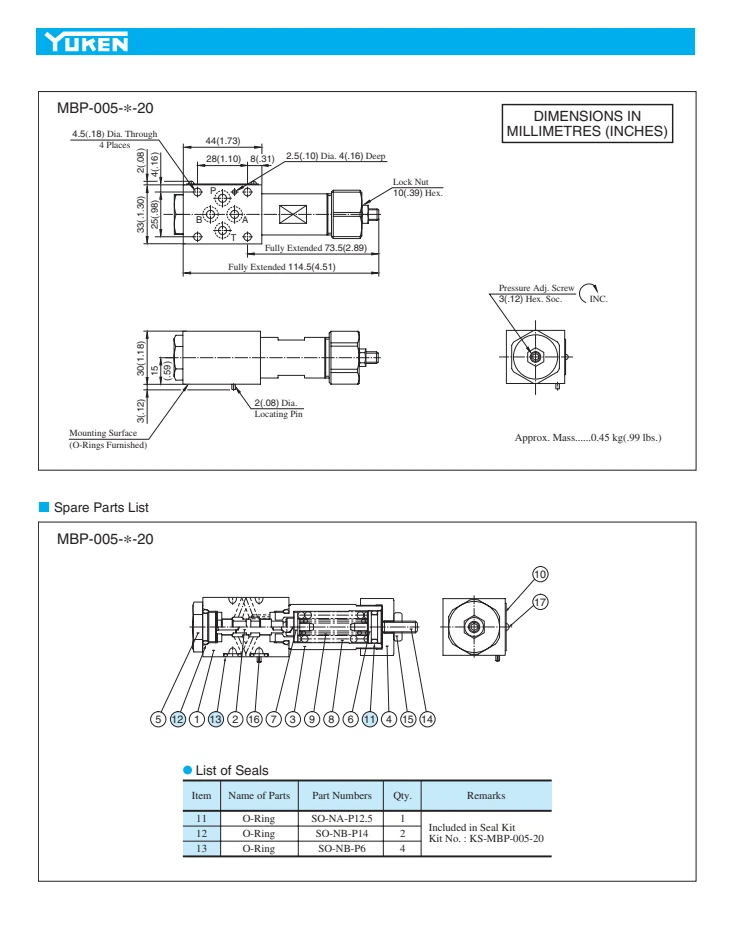
YUKEN MBP Series Relief Modular Valves MBP-005-C-20 MBP-005-H-20
Instructions Relief Modular Valves Graphic Symbol MBP-005 Design Standards: None Japanese Standard "JIS", European Design Standard and N. American Design Standard The minimum adjustment pressure equals the value obtained from the minimum adjustment pressure characteristics plus the tank line back pressure of the next page. This back pressure should include the value of the T-line pressure drop characteristics of the valves stacked to the base plate side of the modular valve. To make pressure adjustment, loosen the lock nut and turn the pressure adjustment screw clockwise or anti-clockwise. For an increase of pressure, turn the screw clockwise. Be sure to re-tighten the lock nut firmly after making adjustment to the pressure


|
YUKEN MBP Relief Modular Valves MBP-005-C-20 MBP-005-H-20 |


|
|

Hot Tags: yuken mbp series relief modular valves mbp-005-c-20 mbp-005-h-20, China yuken mbp series relief modular valves mbp-005-c-20 mbp-005-h-20 manufacturers, suppliers, factory












