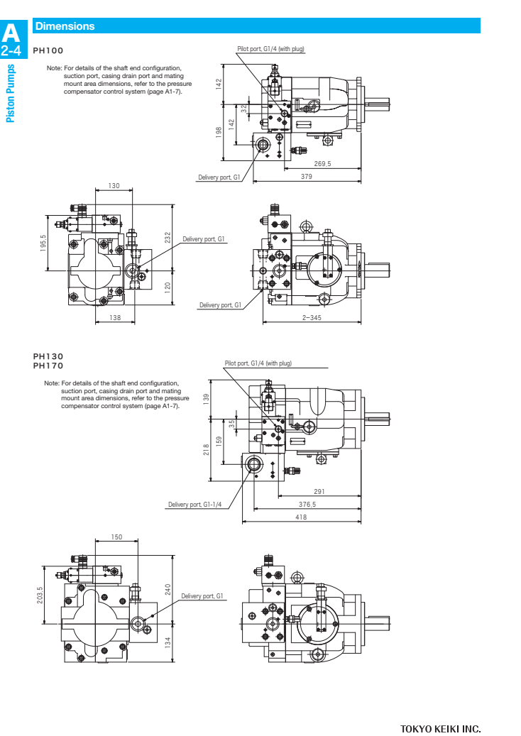
TOKYO KEIKI PH56 PH80 PH100 PH130 PH170 EDHS2 Series Electric Direct Control System Variable Displacement Piston Pumps
Pump control method EDHS2 : electric direct control [flow, pressure] Working pressure:21MPA Allowable speed:600~1800MIN
Send Inquiry
Description


|
TOKYO KEIKI PH EDHS2 Series Electric direct control system variable displacement piston pumps PH56 PH80 PH100 PH130 PH170 |





Hot Tags: tokyo keiki ph56 ph80 ph100 ph130 ph170 edhs2 series electric direct control system variable displacement piston pumps, China tokyo keiki ph56 ph80 ph100 ph130 ph170 edhs2 series electric direct control system variable displacement piston pumps manufacturers, suppliers, factory
Inquiry














